Как подключить теплый пол к центральному отоплению
Водяной теплый пол от центрального отопления, установленный в квартире, обеспечит оптимальный микроклимат во всех комнатах и позволит сэкономить на нагреве теплоносителя. Водяной теплый пол подключается к центральной магистрали отопления по одной из схем, и горячая вода с помощью циркуляционного насоса поступает прямо в нагревательный контур.
Возможность подключения теплого водяного пола к центральному отоплению
Такая возможность существует, однако, она в определенной мере ограничивается рядом законодательных актов, а потому, если сделать самовольное подключение системы теплого водяного пола к контуру батареи, в результате можно получить ряд проблем с управляющими органами. К тому же при обнаружении органами ЖЭКа самовольного подключения к системе центрального отопления, к жильцам будет предъявлены не только штрафные санкции, но обязательное требование о демонтаже всего оборудования теплых водяных полов.
Это связано с запретом на изменение и последующую модернизацию существующих схем инженерных коммуникаций в квартире, обогреваемой посредством центрального отопления. В первую очередь при присоединении водяной системы обогрева пола к центральной магистрали возникает проблема разницы температур. То есть температурная отметка теплоносителя в трубах центральной тепловой магистрали располагается в диапазоне 70-90 °C, при этом финишное покрытие системы водяного теплого пола деформируется и приходит в негодность уже при 50 °C.
Наряду с этим имеется ряд схем, по которым можно сделать правильное подключение к системе централизованного отопления без вреда для теплого пола.
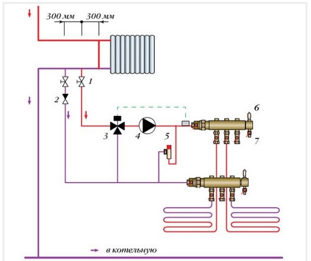
Схема основывается на создании стационарного тепло-пункта в котором ключевую функцию будет выполнять циркуляционный насос. Если в квартире имеется один выход к отопительной системе, то водяную систему обогрева можно присоединить по принципу радиаторных батарей.
Для того чтобы обустроить теплый пол следует выбрать и закупить трубы. Чтобы расположить их на базовом полу змейкой потребуются угловые соединения, применение которых в ряде случаев может плохо повлиять на уровень надежности системы.
Ввиду того, что после монтажа теплый пол будет залит цементной стяжкой, в случае деформации участка трубы придется полностью демонтировать монолитное покрытие.
Еще одна альтернативная схема подключения водяного пола проводится по направлению от обратного патрубка радиатора к обогревательному контуру, для этого нужно будет установить запорную арматуру. Монтаж теплого пола может производиться с ориентировкой на замкнутую систему. Более детально все способы будут рассмотрены ниже.
Недостатки подключения водяного пола к центральной отопительной системе заключены в:
- Незаконности установки;
- Высокой вероятности поломки обогревательной системы;
- Появлении в системе дома участков, отличающихся неравномерным распределением теплоносителя;
- Трудоемкости монтажных работ.
Наиболее подходящим будет тот вариант, при котором в квартиру будет входить прямой и обратный трубопроводы центральной системы. Если же в доме имеется вертикальная разводка стояков, тепловой пункт будет рассредоточивать тепло посредством пола по всем комнатам. Однако количество тепловой энергии, получаемой из каждого стояка центральной системы, будет строго ограниченно.
Подключить теплый водяной пол к центральной отопительной системе можно по зависимой и независимой схеме.
Подключение к центральной системе через отдельный ввод
Какая бы схема не была выбрана, в первую очередь, следует обратить внимание на качество теплоносителя в центральном трубопроводе. В нем имеется большое количество игольчатых клапанов, в которых скапливаются твердые частицы, что впоследствии может серьезно засорить трубы водяного теплого пола. Для подключения отводы труб водяного пола присоединяются (привариваются) к коллектору (стояку) централизованного отопления. Преимущества такого подключения следующие:
- В коллектор домашней отопительной системы будет подаваться горячая вода с постоянной температурой – это достигается благодаря работе заранее установленного термостатического клапана;
- Нужная температура может быть выставлена при помощи трехходового клапана оборудованного термостатом;
- Байпас обеспечит минимальный расход воды после закрытия клапанов;
При таком подключении рекомендуется сделать защиту циркуляционного насоса, которая будет предохранять его от работы всухую. В качестве защиты можно устанавливать реле регуляции потока или давления. Также может быть присоединен термостат накладного типа, который сможет отключать насос при достижении нижнего температурного предела (20°C). Для более надежного управления системой следует заменить термостатический клапан на регулятор, который будет корректировать температуру отопления с ориентировкой на наружную температуру в помещении.
Подключение к центральной системе через вертикальную разводку
Такой способ подключения основывается на реконструкции уже имеющейся радиаторной системы. Известно, что каждый отдельно взятый стояк в квартире имеет рамки расхода определенного количества теплоносителя. Расход регулируется с помощью регулировочного клапана.
При подключении труб напольного водяного обогрева к стояку есть возможность получать в два раза больше тепла, чем от обычных радиаторов. Это объясняется тем, что при одинаковой температуре воды в подающих трубах и обратном трубопроводе во время перепада температура будет в два раза больше – 70/30°C в радиаторе и 70/50°C в трубах водяного пола. Если в квартире имеется 4 стояка, теплую воду из центральной системы можно брать из двух, а теплоноситель из двух других будет проходить транзитом. Такая схема состоит из:
- Стояков для двухтрубной отопительной системы;
- Балансировочного клапана;
- Трехходового клапана;
- Привода для трехходового клапана.
При реализации данной схемы нужно заменить старые радиаторы на новые теплообменники. Это никак не повлияет на изменение гидравлического режима работы стояка, ввиду того, что все балансировочные клапаны останутся с прежними настройками.
Вторичный контур от водяного пола нужно подсоединять параллельно. Чтобы еще раз не проводить балансировку теплообменников во втором контуре, при монтаже единой системы нужно применять одинаковые по длине ПВХ трубы.
Подключение к центральному отоплению с вертикальной разводкой (однотрубная система)
Сделать подключение по такой схеме можно в течение одного дня, вариант также подразумевает реконструкцию старого трубопровода отопления. В имеющейся однотрубной системе запрещено понижать температурную отметку теплоносителя, невозможно также контролировать его расход. Теплый пол можно подключить к централизованной системе через стояк.
Сделать это можно посредством замены существующего радиатора в отдельной комнате на контур напольного водяного отопления. Схема реализуется с обязательным условием – совпадением тепловой нагрузки водяной и центральной систем — разница в температуре не должна превышать 5-10°C.
Такая схема классифицируется, как зависимая, так как в каждой комнате старый радиатор заменяется на один отопительный контур водяного пола. Управлять температурой в помещении можно посредством включения и выключения циркуляционного насоса, контролируемого комнатным термостатом.
Если теплоноситель в стояке центральной системы сливается, насос будет автоматически отключаться. Трехходовой клапан может быть оснащен приводом, осуществляющим управление обогревом по наружной температуре. Преимущества такой схемы заключаются в:
- Возможности установки в разных комнатах разных отопительных систем;
- Невысокой стоимости проводимых работ и материалов;
- Отсутствии игольчатых клапанов и коллекторов теплого пола;
- Система будет нетребовательна к качеству циркулирующей воды;
Имеются и недостатки — если в отопительный контур будет попадать воздух, то насос может производить сильный шум.
Кроме того, можно использовать пиковый проточный водонагреватель при подсоединении к центральной отопительной системе. Сделать все можно с ориентировкой на вышеописанную схему, но при этом включить в нее дополнительный пиковый электрокотел. Этот агрегат будет подогревать теплоноситель зимой в те дни, когда центральная система не сможет обеспечивать необходимый уровень тепла.
Электрокотел, подключенный к центральной системе с одной стороны, и к теплому водяному полу с другой, сможет поддерживать постоянную температуру с помощью встроенного термостата. Если тепла от центральной системы будет хватать, то трехходовой клапан будет находиться в закрытом положении, и электричество будет расходоваться только на компенсацию теплопотерь корпуса электрокотла. Если двухходовой клапан будет находиться в открытом положении, то необходимое количество теплоносителя будет дополнительно подогреваться в котле.
На что обратить внимание при подключении
- При выборе любой схемы присоединения теплого водяного пола к централизованной системе отопления используется крепление к боковому входу коллектора с применением фитингов.
- Стяжку под финишное покрытие (линолеум, плитку, паркет) нужно сделать тонкой (около 3-х см) и обязательно дополнить ее армированной сеткой, которая укладывается сверху ПВХ труб.
- Под ламинат не рекомендуется стелить дополнительный утеплительный слой – это заметно снизит уровень теплоотдачи.
- После первого тестового запуска система полностью прогреется в течение двух дней.
- Если планируется проход через стену, то лучше всего использовать гофрированные трубки.
- Минимальное значение высоты финишной стяжки не должно превышать 3 см от верхней трубы.
- При подсоединении теплого водяного пола к центральной отопительной системе нельзя использовать циркулирующий в ней теплоноситель напрямую – это может нанести непоправимый вред гидравлике всего здания.
- При подключении теплого пола к электрокотлу, вместе с радиатором можно присоединять батареи напрямую к полу, а контуры соединить с коллекторами.
- При выборе узлов и механизмов конструкции, следует иметь в виду, что большинство из них могут выдерживать давление в 1-2,5 атмосфер, а в центральной системе оно может достигать отметки в 16 атмосфер.
Выбор определенной схемы подключения теплого водяного пола к центральной системе отопления в квартире напрямую зависит от площади помещения. Если она будет превышать 30-35 кв. м., то желательно сделать несколько подключений к различным коллекторам.
Как сделать теплый пол от центрального отопления в квартире: легальные способы

Сегодня, монтаж нагревательного гидравлического контура в половое покрытие, среди наших соотечественников пользуется небывалой популярностью. Причиной этому является крайне неудовлетворительная работа классического радиаторного отопления с централизованной подачей теплоносителя. Ажиотаж вокруг технологии «теплый пол» заставляет многих «умельцев» идти на прямой запрет властей, самовольно монтируя отопление в квартире по полу, нарушая при этом тепловой баланс и увеличивая гидравлическое сопротивление в системе отопления (СО) всего дома.
Законные пути реализации водяного теплого пола в квартирах многоквартирных домов есть и подключить систему теплый пол от центрального отопления можно. В этой публикации будут рассмотрены несколько рабочих схем, которые не вызовут гидравлический и тепловой дисбаланс в СО.
Схема «вторичного кольца»
Данная схема может быть реализована при однотрубной СО в квартире. Первичное кольцо – центральная СО; вторичное – контур «теплого пола».
- Врезка в центральную систему отопления производится только в обратку, на выходе из радиатора.
- На контур устанавливается запорная арматура, а на обратке кольца «теплого пола» еще и обратный клапан, предотвращающий движение теплоносителя в обратном направлении.
- Водяной теплый пол в квартире оснащается смесительным узлом, который включает в себя насос и трехходовой клапан.
При своей простоте, эта схема эффективна, но только при соблюдении правильного монтажа и четкой последовательности сборки.
Совет: Проблема в том, сможете ли вы доказать коммунальщикам, что данная схема работоспособна и не приводит к дисбалансу в централизованной СО. Как правило, специалисты контролирующих служб ссылаются на запрет внесения любых конструктивных изменений в отопительную систему. Поэтому мы настоятельно рекомендуем перед созданием теплого пола по данной технологии проконсультироваться с юристом и профессионалом-теплотехником.
Схема с теплообменником
100% теплотехников скажут, что не нарушая закон можно создавать теплые полы в квартире с индивидуальным отоплением.
Несмотря на запрет коммунальщиков о внесении любых изменений в централизованную отопительную систему, специалисты придумали такую схему, при реализации которой будет создана автономная СО, где в роль теплогенератора будет выступать бак косвенного нагрева (буферная емкость, теплоаккумулятор), теплообменник.
Данная система никак не затрагивает конструкцию центральной СО, не изменяет давление и не повышает гидростатическое сопротивление. Цифрами обозначено следующее оборудование:
- 1 Циркуляционный насос
- 2 Трехходовой смеситель
- 3 и 4 Шаровые краны
- 15 Группа обвязки теплообменника в которую входят: обратный клапан; шаровый кран с грязевиком.
Собрать Теплый пол от отопления в квартире своими руками по данной схеме по силам любому домашнему мастеру. Для более четкого понимания процесса сборки рекомендуем посмотреть видео по теме:
Нюансы, о которых необходимо помнить
-
Первое, на что нужно обратить внимание при подключении водяного теплого пола в центральной СО – это на материал, из которого изготовлен змеевик. Все дело ТВ том, что для разводки отопления в полу в квартире и изготовления непосредственно змеевика, как правило, используются пластиковые трубы, которые рассчитаны на температуру теплоносителя 50°С. Температура воды в центральной тепломагистрали может находиться в пределах 70 до 90°С. Разумеется, при подключении контура теплого пола к центральному отоплению напрямую, протечка и дорогостоящий ремонт обеспечены.
Второе. В интернете представлено достаточно большое количество монтажных схем водяных теплых полов в квартире, которые, теоретически не приводят к дестабилизации СО дома. Одна из них представлена ниже.
По заявлениям специалистов-теплотехников, основная проблема водяных теплых полов в том, что в СО дома возвращается теплоноситель слишком низкой температуры, что влияет на отопление смежных по стояку квартир. В представленной выше схеме данное влияние минимизировано, за счет контроля за температурой обратки трехходовым клапаном (К2) с термостатическим механизмом. Данный механизм настраивается на максимальную температуру. Для регулировки температуры контура змеевика в схему включен балансирующий клапан К1.
Важно! Следует понимать, что большинство данных схем не законны и тянут за собой серьезные штрафные санкции, плюс принудительный демонтаж оборудования, что выливается в дополнительную «копеечку».
Теплый пол или радиатор: что лучше для квартиры
Каждый день огромное количество наших соотечественников задаются вопросом, как сделать теплый пол от отопления, так как свято уверены, что данная конструкция обогрева квартиры эффективней классической радиаторной. Рассмотрим экономическую целесообразность каждой СО.
- Система теплый пол экономичнее. Этот вопрос особенно важен владельцем автономных СО и владельцем квартир с тепловыми счетчиками. Для данной конструкции, в качестве основной системы обогрева, необходимо снизить теплопотери жилища до уровня 40-50 Вт/м 2 . Но при таких низких теплопотерях и радиаторная СО будет не менее эффективна.
- Существует расхожее мнение, что при обогреве посредством радиаторов «вверху горячо, а возле пола – холодно». Как правило, все упирается, опять же, в утепление жилища. Если оно соответствует европейским нормам, то перепад температуры воздуха под потолком и вблизи пола, даже при радиаторах будет минимальным, 1-2°С.
- Уровень комфорта значительно повышается, если монтировать систему «теплый пол» во всех помещениях квартиры. Действительно, ходить по такому полу приятней, но ответьте себе на вопрос, готовы ли вы во всей квартире оказаться от ковролина, линолеума и других напольных покрытий в пользу керамической плитки, обладающей наилучшей теплопередачей?
И последнее: сопоставьте затраты на реализацию проекта «водяной теплый пол», включающие в себя разрешения, проект с расчетами, дорогостоящий монтаж и настройку работоспособности с высокой эффективностью, которая является достаточно спорным моментом.
Совет: Грамотный расчет водяного теплого пола – это сложный процесс, требующий опыта и знаний множества нюансов. Именно поэтому для их проведения обращайтесь только к профессионалам.
Как запитать теплые полы от центрального отопления в квартире
Многие владельцы квартир устанавливают дополнительное отопление по причине недостаточного обогрева от центральной системы. Эта мера позволяет не только повысить качество прогреваемости помещения, но и значительно экономить на счетах за энергопотребление.
К дополнительным видам обогрева относится теплый пол или плинтус. Первый подразделяется на отопление с помощью воды или электричества. Водяной пол считается самым удачным решением по утеплению помещения, так как расходы в процессе эксплуатации снижаются.
Электрический пол укладывается реже по причине большого расхода электроэнергии, что не каждый может себе позволить. Таким образом, водяной пол устанавливается чаще как в квартирах, так и в частных домах. Однако владельцам квартир приходится сталкиваться с рядом проблем при прокладывании этого вида обогрева. Прежде всего, необходимо поставить в известность управляющую компанию дома о своем желании провести дополнительное отопление.
Специальное разрешение на установку теплого пола выдается именно этим административным органом. Незаконное врезание в центральное отопление отслеживается. При выявлении нарушения налагаются большие штрафы. Сделать теплый пол можно только с согласия администрации дома.

Разрешение от управляющей компании
Получить этот документ весьма сложно. Согласие сторон зависит от множества факторов. Система центрального отопления рассчитывается без большого запаса на несанкционированные подключения.
Если это будет только одна квартира, то на расход и общую работу отопления это не повлияет. Но желающих подключить теплый пол в многоэтажном доме немало. В связи с этим возникает угроза сбоя работы всей центральной магистрали. Ставить в известность компанию об укладке теплого пола нужно обязательно.
Первым фактором, влияющим на согласие, является тип отопительной системы в доме. Если схема конструкции предполагает два стояка, подача и обратка, получить разрешение становится возможным. Если квартиры отапливаются от одной трубы, то шансы на получение согласия равны нулю.
Любое врезание значительно снизит температурный режим в других квартирах, что повлечет за собой справедливые жалобы. Также будет учитываться местоположение теплообменника – верхняя точка или нижняя. Шансы на получение разрешения у верхних квартир возрастают, если теплообменник находится внизу и наоборот.
Проблем с установкой не возникнет только у тех, кто отключен от центрального отопления. Наличие автономного котла позволяет избежать административных проволочек. Однако наличие дополнительных датчиков для отслеживания потребления энергии необходимо.

Схема подключения к центральной системе отопления: расчеты
В случае если выдано разрешение на подключение теплого пола, можно начинать работы по монтажу. Первое, что необходимо сделать, это рассчитать общую мощность, приходящуюся на дополнительное отопление, то есть насколько заполняется теплоноситель.
Следует учесть параметры схемы водяного пола, тепловых потерь и тип радиаторов. Все эти детали просчитываются и выводится общая цифра. Рассчитать параметры будущего обогрева поможет знание мощности циркуляционного насоса. Этот этап необходим для эффективного функционирования теплого пола. Помочь сделать правильные расчеты могут специалисты, занимающиеся непосредственно укладкой теплых полов.
Немаловажным считается расчет поднятия основания. Соответственно, метод самой кладки планируется заранее. От этого будет зависеть комфорт жильцов. Низкие потолки плюс поднятие основания сможет привести к нарушению норм жилищного пространства. Именно поэтому сделать предварительный расчет и план укладки самих полов необходимо.
Классическая схема подключения

Теплый пол от центрального отопления подразумевает наличие необходимого оборудования: циркуляционный насос, коллекторная группа и датчики регулировки температуры. Подключение теплого пола осуществляется до его заливки цементом. Учитывается диаметр труб водяного обогрева, он должен составлять 12-20 мм.
Водяной теплый пол в квартире предполагает следующие элементы:
- Насос.
- Распределительный узел.
- Коллектор.
- Датчики.
Сердцем всей схемы является распределительный узел, ответственный за регулировку температуры теплоносителя. Дело в том, что температура воды в трубах подачи очень высокая. Ее необходимо охлаждать до приемлемого порога – 30-35°, иначе система теплого пола выйдет из строя.
Ключевую роль в этой конструкции играет трехходовой клапан, конфигурация которого позволяет распределять и контролировать температуру теплоносителя. Клапан сопровождается специальным датчиком, другое название термоголовка, который осуществляет терморегуляцию с помощью положения штока. Это устройство позволяет хозяину задавать необходимую температуру и экономить тем самым на отоплении.
Работает клапан очень просто. При превышении заданного температурного порога, специальная заслонка перекрывает полностью или частично горячий поток. Наличие трехходового клапана в распределительном узле необходимо.
Теплый пол от центрального отопления не будет функционировать без циркуляционного насоса. Вода всегда найдет путь наименьшего сопротивления, поэтому для эффективного распределения теплоносителя устанавливается насос. Его местоположение перед коллекторной группой и после распределительного узла. Трехходовой клапан подает уже остывший теплоноситель в насос, далее рабочая жидкость поступает в коллектор для дальнейшего распределения по контурам пола.
Коллекторная группа должна обязательно включать в себя воздухоотвод и дренажный кран. Эти элементы устанавливаются в верхней (воздухоотвод) и нижней точках (сливной кран) коллектора.

Учитывая тот факт, что рабочая жидкость не отличается чистотой, необходимо устанавливать грязевые фильтры. Таким образом, срок службы водяного пола продлевается. Грязный теплоноситель очень быстро забьет небольшие трубы водяного пола.
Эта схема является классической и работает для квартир на верхних или нижних этажах в зависимости от нахождения общего теплообменника. Если же квартира врезается на средних этажах, то схема имеет некоторые отклонения. Например, вместо трехходового клапана используется двухходовой.
Установка теплого водяного пола требует официального согласования с управляющей компанией. Сделать подключение к общей магистрали возможно, но следует соблюдать установленные нормы и правила по установке и эксплуатации оборудования. Незаконное врезание в центральную систему запрещено. Это повлечет за собой выплату больших штрафов и демонтаж водяного теплого пола.
Можно ли смонтировать водяные теплые полы в квартире от центрального отопления?

Водяной теплый пол в жилом помещении обустраивается сейчас очень часто. Однако такая конструкция больше подходит для частных домов, где система отопления является обособленной (автономной). Но как же быть, если нужно сделать водяной теплый пол в квартире? Здесь требуется рассмотреть все нюансы процесса монтажа. К тому же в большинстве случаев установка подобной конструкции может привести к дестабилизации теплового и гидравлического баланса между соседними квартирами. Плюс ко всему, плохо продуманная система будет сразу же выявлена проверяющими органами. Мы расскажем подробнее о реализации правильной системы напольного обогрева в квартире.
Какие проблемы могут возникнуть?

Перед тем как сделать подогрев пола, запитанный от горячей батареи, необходимо рассмотреть те трудности, с которыми может столкнуться мастер:
- Температурная разница воды в системе. Нужно учесть, что максимальные параметры нагрева теплого пола составляют 50 градусов, тогда как в системе отопления это значение составляет 70-90 градусов. Если подключить конструкцию напрямую, то оборудование может выйти из строя, а также можно повредить напольное покрытие.
- Запрет на монтаж теплого пола в квартирах с централизованным отоплением. Если конструкцию обнаружит проверяющий орган, хозяин жилого помещения может быть наказан достаточно крупным штрафом.
- Если для подключения отопления был использован элеватор, то для оборудования теплого пола можно использовать только медные трубы, а они достаточно сложные для монтажа и дорогостоящие.
Какая альтернатива существует?
Если сделать теплый пол в квартире, запитанный от центрального отопления нет никакой возможности, можно выбрать альтернативные пути обустройства подогрева пола. Например, электрическую конструкцию.
Она является достаточно простой для монтажа, сделать ее можно своими руками. Также электрический теплый пол практически не влияет на отопление других квартир. Хотя здесь уже нужно учитывать мощность электрической сети.
Электрический пол на основе нагревательных матов – лучшее решение для небольших площадей
Еще одним преимуществом альтернативного электрического обогрева пола является его полная законность. Современные терморегуляторы делают представленную конструкцию очень удобной для эксплуатации и позволяют снижать потребление электроэнергии. Включать такой обогрев можно даже летом, в отличие от водяной, которая работает только в отопительный период (если система подключена к батарее, если же подключение осуществлено к ГВС, то пользоваться водяными полами можно круглый год).
Варианты подключения теплого водяного пола в квартире
Если все-таки возникла потребность подключить теплый пол от центрального отопления, то нужно рассмотреть все возможные варианты монтажных схем такой конструкции, чтобы выбрать максимально подходящий в каждом индивидуальном случае. Существуют такие схемы подключения:
-
Прямое подсоединение контура к горячей батарее. При этом используется самый примитивный маломощный насос. Этот способ считается самым дешевым и простым. Однако он наименее надежен. При использовании такого метода подсоединения конструкции нужно быть готовым к тому, что температура нагрева не будет регулироваться, а общая температура в стояке существенно снизится, что негативным образом скажется на соседях.
Самый простой и менее надежный способ подключения
Прямое соединение с использованием балансировочного клапана на байпасе. В этом случае существует возможность снизить температуру горячей воды, которая подается в контур. Для монтажа системы лучше применить трубы, диаметр которых составляет 16 мм, а длина контура не более 70 метров. Кроме того, повышенное внимание следует обратить и на выбор циркуляционного насоса. Он должен перекачивать до 5-10 л в секунду, а напор должен составлять 1-2 м.
Ручная регулировка с помощью балансировочного клапана
С подключением трехходового клапана. Если подключить теплый пол от центрального отопления таким способом, можно значительно снизить тепловой расход контуров. Термостат, который располагается на клапане, дает возможность автоматически поддерживать установленную температуру. Если в системе будет присутствовать еще и двухходовой клапан, то можно добиться того, что при сильном снижении температуры теплоносителя в батарее, он не будет поступать в конструкцию теплого пола.
Схема с регулированием температуры с помощью трехходового клапана
С запорным и двумя трехходовыми клапанами. Этот способ считается более современным, так как позволяет отрегулировать температуру теплоносителя в контурах при помощи «обратки». Двухходовой клапан при этом необходим для избегания ситуации, при которой циркуляционный насос будет работать вхолостую. Это приведет к тому, что он может быстро выйти из строя из-за перегрева. Кроме того, система будет «съедать» больше электроэнергии.
Клапан К3 служит для регулировки температуры теплого пола с помощью обратки
Об одном из вариантов подключения очень подробно рассказывает один из народных умельцев:
Следует учесть, что монтировать водяной теплый пол от центрального отопления можно на любом основании. Чтобы облегчить этот процесс, на бетонной поверхности укладывается армирующая сетка, к которой крепятся трубы. Если основание сделано из дерева, то следует сделать специальные пазы на лагах. Именно так будет фиксироваться конструкция.
Заключение и выводы
Следует отметить, что теплый пол, запитанный от центрального отопления, можно сделать своими руками, однако при этом желательно соблюдать предварительно подготовленную схему. Учесть нужно и то, что установка альтернативных систем обогрева пола может обойтись дешевле, а также занять гораздо меньше времени.
Монтаж представленной конструкции требует знаний и практических навыков. Неправильно настроенная система может привести к неравномерному распределению тепла в нескольких квартирах сразу. У кого-то тепло вообще может пропасть. Поэтому лучше отдать предпочтение все-таки электрической системе подогрева.
Вот и все особенности подключения водяной конструкции теплого пола. Нужно не забывать, что использование такой системы является незаконным, поэтому при возможности, нужно сделать ее незаметной для проверяющих органов. Оставляйте ваши комментарии, тем более, что тема для обсуждения очень интересная. И напоследок, видео подключения через отдельный теплообменник – так сказать, самая идеальная схема монтажа:
Теплый пол от центрального отопления в квартире
Напольные отопительные системы – отличный вариант создания в доме комфортных температурных условий. Они могут выступать как в качестве единственного источника тепла, так и в дополнении к централизованному отоплению. В настоящее время многие люди, которые хотят обустроить свой дом именно таким обогревательным оборудованием, интересуются, а можно ли делать теплый пол от центрального отопления в квартире?
Почему запрещено монтировать теплые полы в многоквартирных домах
Законодательством запрещается обустраивать дома подобными нагревательными системами, если эти действия дестабилизируют тепловой и гидравлический баланс между соседствующими квартирами по совместному стояку. Правительствами некоторых крупных городов (Москва, Санкт-Петербург, Екатеринбург и т.д.) приняты постановления о запрете монтажа водяных напольных систем в многоквартирных домах. Строительными нормами и правилами (СНиП) подобный способ обогрева квартир также не предусмотрен. При выявлении владельцу квартиры грозит административный штраф.
Почему теплые полы от центрального отопления нецелесообразны:
- Врезка теплого пола в уже существующую систему приводит к нарушению температурного баланса всего стояка. Если это происходит на верхних этажах, «утрата градусов» может быть и не заметна, но с середины дома станет критической.
- Трубы под полом – потенциальный риск аварии. При их повреждении затопит все нижерасположенные квартиры.
- Получить высокую температуру теплоносителя в системе не получится, именно по причине общей подачи на стояк. Зимой такие полы будут чуть теплыми, а в период межсезонья, когда отопление еще не включили или уже отключили, в такой системе вообще смысла нет.
- Качество и чистота теплоносителя в центральном трубопроводе всегда оставляли желать лучшего. Поскольку максимальный диаметр труб для ТП не превышает 24 мм, в течение 3-5 лет они засорятся, и тогда придется либо менять их, либо перекрывать систему и демонтировать. Понятно, что пробить (читай – прочистить) горизонтально расположенные трубы крайне тяжело.
При любом варианте в квартире многоквартирного дома гораздо более целесообразными являются электрические напольные отопительные системы. Но если вы все же склоняетесь к водяным, объясним, в каким случаях это можно сделать и как.
В каких случаях можно
На практике же можно делать теплые полы от центрального отопления в квартире при условии, что баланс водного потока не нарушается, и при этом соблюдаются условия дозирования тепловой энергии.
Способы подключения водяного нагревательного блока в квартире
Итак, решившись на проведение трубопровода от централизованного стояка с целью дополнительного утепления дома, необходимо выбрать схему запитки, благодаря которой вам удастся реализовать свои желания в реальность.
Последовательность сборки и врезки системы
Среди всего многообразия схем подсоединения дополнительного теплового источника к централизованной теплосистеме существует масса вариантов. Но хотелось бы выделить наиболее эффективные и распространенные из них.
Прямое подсоединение трубопровода к радиатору
Эта модель водяного напольного отопления является наиболее простой и дешевой. Для ее реализации дополнительно потребуется приобрести маломощную насосную станцию. Применение этого способа подсоединения конструкции исключает регулировку температурного режима в помещении.
Прямое соединение с использованием баланс-клапана на байпасе
Этот метод подключения немного схож с предыдущим, отличается лишь наличием балансирующего крана, который располагается между подающей тепло трубой и «обраткой». Благодаря байпасу можно снижать скорость потока теплоносителя в контуре, а значит, есть возможность некоторым образом регулировать температурный режим напольной поверхности. Такой метод подключения также отражается на общей температуре воды в системе централизованного стояка.
С использованием трехходовика
Подключив тёплый пол от центрального отопления по такой схеме, можно значительным образом сократить тепловой расход контуров. Терморегулятор позволяет в автоматическом режиме контролировать температуру в скрытом трубопроводе. Проще говоря, если ваша водяная установка потребляет большое количество энергии, то это повышает вероятность того, что в стояк будет попадать почти холодная вода. А это, в свою очередь, будет способствовать остыванию радиаторов в соседствующих сверху и снизу жилищах.
С запорным и двумя трехходовыми дросселями
.jpeg)
Такой метод подключения теплых полов от центрального отопления является наиболее современным, поскольку в этом случае мы можем регулировать температуру теплового источника. Наличие двухходового вентиля исключает ситуации, при которых насосная система будет работать вхолостую, что, в свою очередь, может привести к перегреву аппарата и, как следствие, к его поломке. Недостатком такой схемы является высокие энергозатраты.
С выносным датчиком
Этот вариант имеет сходство с предыдущем способом подключения дополнительного теплового источника к централизованному отопительному стояку. Единственное отличие – наличие выносного датчика, который необходимо для контроля нагрева конструкции.
ВИДЕО: Как сделать теплые полы от центрального отопления
Какие трубы лучше выбрать?
Еще на стадии проектирования теплового узла, необходимо уделить особе внимание непосредственно самому теплоносителю.
Существует несколько видом материала, которые можно использовать для обустройства водяного нагревательного блока:
Сшитый полиэтилен
.jpg)
Этот материал известен высоким коэффициентом устойчивости на сжатие, что провоцирует термическая усадка. Благодаря такому свойству температура теплоносителя может достигать практически кипятка. При этом рекомендуемая температура теплоносителя составляет +31…+35 0 С, что гарантирует сохранность трубопровода в течение минимум 50 лет.
Полипропиленовый состав
.jpeg)
Для организации напольной системы тоже не самый идеальный вариант. Проблема заключается в высоком радиусе изгиба – для любой схемы трубы придется изгибать под определенным углом, что не получится сделать с полипропиленовой основой. Если есть опыт сваривания полипропиленовых труб, тогда вся система получится качественной и надежной. Если таковой опыт отсутствует, лучше не рисковать.
Медь, нержавейка
.jpg)
Труба из таких материалов не зря в советские времена считались единственно верным вариантом для прокладки холодного и горячего трубопровода. Минимальный срок эксплуатации составляет 70 и более лет, они мало поддаются коррозии, отлично работают на сжатие, хорошо проводят тепло. Но итоговая стоимость материала очень высока, поэтому их сегодня крайне редко используют не только для частных отопительных систем, но и в городском хозяйстве.
Металлопластик

Металлопластиковые трубы по сравнению со всеми другими материалами, кроме нержавейки и меди, отличаются наиболее высокими эксплуатационными характеристиками, включая значительные нагрузки, устойчивость к термическими расширениям. При этом производителя заявляют о минимальном сроке эксплуатации в 50 лет. Расчетный показатель – 30 лет.
Подводим итоги
Хотелось бы отметить, что напольную обогревательную установку, которая запитана от центральной магистрали, можно собрать своими силами. И если же вы задались такой целью, то желательно соблюдать предварительно подготовленную схему и не вносить в нее свои коррективы с целью улучшения работы узла. В противном случае вам не удастся добиться эффективной работы конструкции. Безусловно, это не касается тех людей, которые профессионально занимаются подобными работами.
При наличии финансовых возможностей, вам будет проще и быстрее обустроить свое жилище электрическими тепловыми источниками, которые, быть может, требуют затрат на оплату счетов по электроэнергии, но вместе с тем обеспечивают равномерный и, что немаловажно, регулируемый температурный режим.
Монтаж подобного блока требует знаний и практических навыков. Неграмотно собранная и настроенная конструкция может привести к низкой эффективности распределения тепловой энергии.
Вот, собственно, и все тонкости подсоединения скрытого теплового узла к общему стояку. Следует помнить, что применение такой системы – незаконно, а посему, при возможности, необходимо сделать ее максимально скрытой.
Надеемся, наши советы помогут вам обустроить свой дом надежным и эффективно функционирующим отопительным элементом.
ВИДЕО: Монтаж теплого водяного пола
Как сделать теплый пол от центрального отопления в квартире
Многие владельцы на сегодняшний день все чаще обращаются свое внимание на систему теплых полов и прибегают к ее укладке в собственном жилье. Наибольшую популярность имеет водяное отопление в полу в квартире, подключаемое к центральной отопительной системе, о котором и пойдет речь.
Водяной теплый пол в квартире
Имеется множество инструкций, которые рассказывают о том, как смонтировать систему теплого пола, но по большей части они написаны для владельцев частных домов. Как же быть жильцам многоквартирных домов, которые также хотят создать тепло и уют в своем доме.
В их случае теплый пол от центрального отопления в квартире может существовать, но процесс монтажа будет иметь ряд нюансов. В первую очередь укладка такой системы приведет к дисбалансу в температурном режиме с помещениями, расположенными по соседству.
Неграмотно смонтированный теплый пол будет замечен проверяющими из службы жилищно-коммунального хозяйства, что чревато санкциями для хозяина.
Проблемы, возникающие при монтаже в квартире
До того, как укладывать теплый пол от отопления в квартире рекомендуется ознакомиться со списком возможных проблем, возникающих перед хозяином:
- температура теплоносителя в системе централизованного отопления очень высока. Вода температурой в 70-90 градусов по Цельсию не может быть использована в трубопроводах, проложенных в перекрытии. Допустимая норма находится в пределах 50 градусов по Цельсию. При нарушении данного параметра система будет повреждена и автоматически становится угрозой для напольного покрытия, которое не выдерживает высоких температур;
- существует запрет на установку подобной системы подогрева в многоквартирных домах. Руководствуясь законодательством, любой проверяющий из жилищно-коммунальных служб может оштрафовать владельца;
- отопление может быть подключено посредством элеватора, а теплый пол исключительно при помощи медных трубок, которые дорого стоят и требуют специальных навыков от человека, осуществляющего их укладку. Читайте также: “Что лучше теплый пол или батареи – плюсы и минусы систем”.
Альтернативное решение
Если невозможно уложить теплый пол водяной от центрального отопления, то на помощь владельцу приходит электрическая разновидность данной системы. Ее проще монтировать и произвести все работы можно самостоятельно. Преимущество заключается в том, что в многоквартирном доме, такая система не нарушает баланса и допускается к использованию.
Необходимо лишь учесть мощность такой системы, чтобы не возникало перегрузки электрической сети. Пространственно электрический теплый пол занимает значительно меньше места, что делает более эстетичными фото помещения и у любого входящего в квартиру не возникнет подозрения, что с полом что-то не так.
На законодательном уровне электрический обогрев разрешен и может быть применен в любое время года, в то время как водяной пол зависим от сезонной подачи горячей воды. Соответственно функционировать он может исключительно в период с осени по весну – отопительный сезон.
Способы подключения в квартире водяного теплого пола
Если же целью владельца все же стал теплый пол от батареи в квартире, то ему придется выбрать одну из модификаций системы, позволяющую осуществить соединение без нарушения функциональных параметров.
Известны следующие схемы монтажа:
- Присоединение контура напрямую к радиатору отопления. Подобный способ самый простой и для осуществления монтажа потребуется насос с невысокой мощностью. По финансовому состоянию хозяина такая система не ударит. Недостаток у системы множество, поскольку регулировать температуру в ней не получится, но в общем стояке многоэтажного дома температура воды уменьшится, что может вызвать недовольство у соседей.
- Подсоединение напрямую через балансировочный клапан на байпасе. Посредством такого метода можно уменьшить температуру воды, попадающей в трубы теплого пола. Использовать при этом рекомендуется трубки с диаметром в 1,6 сантиметра и общая длина контура не должна превышать 70 метров. Используемый для прокачки воды в системе насос должен иметь мощность, которой хватит на перемещение 5-10 литров воды в секунду с напором 1-2 метра в секунду.
- Также теплый пол может быть подключен посредством трехходового клапана. Его внедрение в отопительную систему позволит уменьшить расход тепла на контуре теплого пола. Термостат, вмонтированный в данный клапан, будет регулировать температуру и постоянно поддерживать необходимо значение. Дополнительная модификация системы посредством монтажа двухходового клапана позволяет блокировать подачу теплоносителя в систему при резком снижении его температуры в отопительном контуре квартиры.
- С использованием запорного и двух трехходовых клапанов. Подобная конструкция позволяет осуществлять регулирование температуры воды в отопительном контуре посредством «обратки». Двухходовой клапан позволяет насосу, перекачивающему воду, не работать впустую. В ином случае оборудование может быть поломано из-за перегрева, а сама система при эксплуатации будет расходовать значительно большее количество электрической энергии.
- Самым функциональным вариантом того, как сделать теплый пол от центрального отопления, является монтаж системы с выносным датчиком температуры. При перегреве теплоносителя произойдет автоматическая блокировка подачи теплоносителя в отопительный контур. Как только вода вернется к исходной температуре, и будет соответствовать требуемому значению, циркуляция возобновится. Подобная система монтажа позволит избежать переохлаждения отопительного контура квартиры. Иногда на такую систему устанавливают несколько температурных датчиков для большей эффективности. Читайте также: “Как сделать теплый водяной пол со стяжкой и без неё – последовательность действий”.
Стоит учитывать тот факт, что монтаж водяного теплого пола, подключенного к отопительному контуру, может быть осуществлен на любом основании. Лучше всего армировать перекрытие и на сетку закрепить используемые трубки теплого пола.
Древесное основание из лаг также допускает монтаж системы теплого пола в специально вырезанные в брусьях углубления. Иногда теплый пол может быть использован в качестве основного отопления. В таком случае преимущество системы заключается в том, что на фото и при визуальном осмотре не будет видно оборудование, используемое для обогрева помещения. Читайте также: “Как сделать теплый пол от отопления – хитрости из практики”.
Итог
Укладка теплого пола, подключенного к централизованной системе отопления, может быть осуществлена самостоятельно. Для качественной укладки рекомендуется заранее подготовить схему. Также стоит понимать, что альтернативные отопительные системы будут стоить гораздо дешевле и на их монтаж требуется куда меньше времени.
Если же выбор пал на водяной теплый пол, то помочь в укладке и подсоединении с соблюдением всех правил смогут специалисты. Профессионалы возьмут на себя ответственность за приобретение всех комплектующих и предоставят гарантию на оказанные услуги.






