Как правильно выбрать и установить своими руками смеситель для ванной с душем
Ремонт в ванной комнате – сложный процесс, который требует максимальной концентрации. Одной из главных составляющих любой ванной является смеситель с душем, который в современном ассортименте бывает сложно выбрать и установить. Чтобы избежать трудностей с этими процессами следует тщательно изучить все их нюансы.

Расположение смесителя с душем в ванной
Разнообразие смесителей на рынке
Сейчас производители предлагают различные варианты смесителей для ванной, которые выбираются в зависимости от потребностей и желания владельца. В первую очередь, перед выбором стоит узнать об особенностях каждого типа, а делятся они по различным критериям.
По месту установки
В зависимости от местоположения в ванной смесители могут быть:
- Врезными для установки на бортик ванны. Чаще всего такие смесители устанавливаются на акриловые ванны, но могут быть смонтированы и на металлические аналоги. Главным преимуществом такого устройства является компактность, так как душевой шланг практически во всех моделях скрывается в специальном отверстии и достается по мере необходимости.

Оригинальная конструкция врезного смесителя
- Настенными – самыми востребованными уже длительное время в силу удобства использования. Модельный ряд таких смесителей просто огромный, поэтому в случае выхода устройства из строя можно быстро его заменить на новое. Главной особенностью такой конструкции является расстояние между водорозетками, которое составляет около 15 см.

Внешний вид смесителя на стене
- Встраиваемыми в стену. Эти варианты считаются наиболее надежными. Встраиваемый тип смесителя подразумевает крепление всех его элементов непосредственно в стене. Монтаж такого устройства является сложным процессом, к которому необходимо привлекать только профессионалов, но результат того стоит.

Скрытый монтаж смесителя в ванной
По варианту излива
Это еще один пункт, с которым требуется определить на этапе продумывания сантехнической составляющей ванной.
Излив бывает поворотный, который удобно использовать при едином смесителе для ванны и раковины. Он устанавливается в удобное положение за счет специального механизма. Так как установка такого смесителя требует достаточной высоты, то его использование для ванны сопровождается большим количеством брызг и шумом. Он удобен, но часто выходит из строя, так как из-за частых поворотов у него быстро приходит в негодность резиновая манжета и возникают протечки.

Удобство поворотного гусака оценили много поколений
Следующая модель – это фиксированный излив, который предназначен для установки непосредственно для ванны. Главными его преимуществами являются надежность, долговечность и компактность, так как конструкция не мешает в процессе принятия душа.
Единственным недостатком смесителя с фиксированным изливом является неудобство переключения душевого типа и его неремонтопригодность.

Смеситель без возможности поворота гусака
По функционалу
По внешнему виду и функциональным особенностям смесители для ванной могут быть:
Первый тип всем известен еще с давних времен. Это простейшая конструкция, в которой для регулировки воды выступают кран-буксы. Среди преимуществ такой модели выделяются:
- Простота монтажа.
- Удобство настраивания необходимой температуры воды.
- Долговечность.
- Исключение необходимости установки фильтра для воды.
- Исключение влияния скачков давления на работу системы.
Недостаток довольно существенен – это необходимость регулярной замены прокладок на кран-буксах.

Однорычажный тип смесителя представлен простым управлением, которое позволяет при минимальных действиях открыть и закрыть воду. Правильная работа такого смесителя зависит от качества воды, поэтому требуется дополнительная установка фильтров, которые исключат попадание в систему твердых взвесей и мелкого мусора. Починить его можно, разобрав и установив новый картридж внутрь.
Множество отрицательных отзывов оставляют пользователи о душевом переключателе на таком смесителе. Он часто выходит из строя, соответственно является недолговечным.

Конструкция смесителя с душем и одним рычагом
Термостат – новинка на сантехническом рынке. Такая конструкция подразумевает наличие специального узла, который позволяет настроить нужную температуру воды. Стоит подобного рода смеситель для ванной дорого, но исключается возможность ожога водой и значительная ее экономия.

Конструкция термостата позволяет регулировать температур воды заранее
По типу лейки
Важно ознакомиться с видами и функционалом леек, поставляемых в комплекте со смесителями для душа. Самыми известными материалами для изготовления леек являются пластик и металл. Первый тип быстрее выходит из строя, но стоит дешевле. Второй более долговечен.

Многообразие леек для душа
Современные модели оснащаются возможностью переключения режимов подачи воды. Так, струи могут быть массирующими, интенсивными, имитирующими тропический дождь и другими. Выбор такого дополнения зависит от желания владельца.
Устанавливаться лейка может настенным, потолочным или ручным способом. Верхний способ (потолочный) подразумевает полную имитацию настоящего душа в ванной.
По материалу
Не только конструктивные особенности важны, но и тот материал, из которого выполнен гигиенический смеситель для ванной. Чаще всего это силумин и латунь.
Силумин представляет собой сплав алюминия и кремния. Применяется такой материал для тех смесителей, которые не отличаются высокой стоимостью. Сам материал достаточно хрупкий, поэтому при любом воздействии может лопнуть.
Силумин сам по себе легкий, что и является главным отличием от других материалов. Если по весу определить качество не получается, то нужно смотреть на внешний вид хромированного покрытия. У силуминовых смесителей он отличается в худшую сторону.
Смесители из латуни наиболее качественные. Латунь – это сплав цинка с медью, отсюда и высокие технические и качественные характеристики изделия.
Советы по выбору смесителя
В первую очередь хочется сказать, что, если есть такая возможность, лучше всего приобретать смесители для ванной известных брендов. Самыми лучшими по качеству изготовления и зарекомендовавшими себя являются модели фирм Grohe, Hansa, Jacob Delafon, Oras, Teka, Ideal Standart, Акватика.

Установленный в ванне смеситель
Если же название вроде похожее, но несколько букв не совпадают, то это откровенная подделка. И в таком случае не следует слушать уверения продавца о добросовестности производителя. Такая покупка быстро разочарует низким качеством исполнения.
Вот инструкция, которая расскажет, как выбрать верный смеситель:
- Покупка должна осуществляться только в специализированных магазинах. Ни в коем случае нельзя приобретать смесители с рук или на рынках.
- В момент приобретения стоит удостовериться в качестве изделия, запросив у продавца документы на него. Также важно узнать о наличии гарантии, которая позволит вернуть или обменять изделие, если оно выйдет из строя. Ведущие фирмы-изготовители дают неплохие сроки гарантии.
- Комплектность поставки обязательно должна соответствовать паспорту изделия.
Самостоятельный монтаж
Выполнить установку смесителя своими руками не так сложно. Только необходимо в процессе быть максимально внимательным и соблюдать все требования и шаги. Для начала потребуется подготовить все необходимые инструменты:
- разводной ключ;
- уплотнительную ленту;
- прокладки;
- сам смеситель;
- дрель, если конструкция прикрепляется к стене.
Устанавливается смеситель по следующей технологии:
- Крепление эксцентриков с максимальным уплотнением их фум-лентой. Обычно делается от 5 до 10 витков в зависимости от выбранной ленты.
- Установка основного корпуса устройства с одновременным вкладыванием в гайки специальных прокладок, которые идут в комплекте со смесителем.
- Прикручивание излива к основному корпусу в случае, если он представлен поворотной моделью.
- Подсоединение душевого шланга и лейки.
- Монтаж душевого крепления на стену при помощи дрели.
- Проведение пробного запуска воды для исключения ошибок и обнаружения течи в случае, если она есть.

Поэтапная установка смесителя в ванной
Выбор и установка смесителя для ванной не такое сложное дело, если четко следовать всем рекомендациям и быть внимательным. При грамотном подборе и монтаже устройством можно будет пользоваться длительное время без необходимости замены.
StroyStory.ru
Строительство, ремонт, дизайн

Как правильно выбирать освещение для квартиры Как правильно выбирать освещение для квартиры
Сегодня речь пойдет о том какие источники освещения, точнее какие типы источников освещения можно использовать современном Мы поговорим о периметральной подсветке и световых панелях и софтбоксах. Периметральная подсветка Начнем с
Варианты водоснабжения загородного дома Варианты водоснабжения загородного дома
Какие есть варианты водоснабжения загородного дома Загородная недвижимость сегодня используется более или менее постоянно. При таких обстоятельствах поддержание в доме комфортной обстановки становится актуальной задачей. Это касается и обеспечения собственного

Гидроизоляция цоколя Гидроизоляция цоколя
Гидроизоляция цокольного этажа: современные материалы и технологии Цоколь, по сути, является продолжением фундамента, его верхней частью ограждающей пространство под полом здания, поэтому на него действуют большие, нежели на стену нагрузки.
Как правильно клеить флизелиновые обои Как правильно клеить флизелиновые обои
Как выбрать и поклеить флезилиновые обои Обои из флизелина — современный отделочный материал, прекрасно зарекомендовавший себя. С его помощью можно воплотить в жизнь самые невероятные дизайнерские решения. Для отделки потолка

Как сделать опалубку своими руками? Как сделать опалубку своими руками?
Опалубкой называют форму, в которую укладывают бетонный раствор. Используют опалубку при строительстве железобетонных, бетонных конструкций домов: основания, стен, межэтажных перекрытий. Внутри конструкций монтируют каркас из арматуры. Бетон создает огромное давление

Мини-бассейн на загородном участке Мини-бассейн на загородном участке
Можно без преувеличения сказать, что практически каждый собственник загородного дома мечтает о бассейне, расположенном на участке. Это не только модно и стильно. Мини-бассейн своими руками, построенный на даче, многофункционален. Он

Расчёт объема необрезной доски с помощью кубатурника Расчёт объема необрезной доски с помощью кубатурника
Как рассчитать сколько досок в 1 кубе Необрезная доска — один из простейших видов пиломатериалов. Обычно она используется в тех случаях, когда декоративные свойства не имеют значения. Обшивки, леса, настилы,
Монтаж лестничных маршей и площадок из бетона Монтаж лестничных маршей и площадок из бетона
Одним и важнейших и основополагающих элементов многих домов являются лестничные марши. Они выполняют несколько важных функций. Первая – это, собственно, подъем и спуск людей. А вторая – это неповторимый декор,

Строительство фундамента на склоне Строительство фундамента на склоне
При строительстве дома на сложных грунтах необходимо учитывать многочисленные параметры, среди которых угол склона. Часто случается так, что поставить дом в другом месте просто не представляется возможным, поэтому склон —
Белые двери в интерьере квартиры фото Белые двери в интерьере квартиры фото
Белые межкомнатные двери в интерьере Давно ли вы делали ремонт своей квартире? Судя по тому, что вас заинтересовал заголовок этой статьи, ремонт в вашей квартире идет полным ходом. Как человеку,
Смесители для душа: как подобрать идеальный вариант?
Выбор смесителя для ванной – очень ответственная задача. Необходимо объединить показатели качества изделия и его эстетичный внешний вид. Поэтому очень важно узнать об особенностях выбора хорошего крана, который служил бы долго и радовал домочадцев каждое утро.
Особенности
В смесителе для душа выделяют несколько частей. Это корпус смесителя, боковина, излив разной длины, трубы под холодную и горячую воду, кран-букса, гайка и подвижная деталь корпуса.
Существует ряд смесителей, используемых в ванной комнате или же в душевой кабине.
- Смесители, использующиеся исключительно для душа. В таких моделях нет излива, а вода сразу поступает в душевую лейку. Этот вариант прекрасно подходит для душевых кабин. Он может использоваться и в ванной, если излив мешает пользователю.
- Универсальные краны для ванны и раковины. У данных смесителей носик излива длинный и перемещается из раковины в ванну. Этот вид кранов можно использовать, если ванная комната маленькая и необходимо сэкономить пространство. Но из-за частого перемещения носика смесителя срок службы может быть меньше. Именно это является минусом в моделях данного вида. Чаще всего смеситель дополнен лейкой для душа на гибком шланге.
- Смесители с низким изливом в ванной. Имеют в комплекте переключатель воды в душевую лейку. При выборе этого вида смесителей нужно помнить об удобстве пользования. Для этого нужно оценить приблизительную траекторию падения воды и рассчитать, будут ли помещаться под нее ведра для налива воды.
Существуют разные виды расположения смесителей. Важно определить место нахождения смесителя заранее, чтобы избежать сложностей при сборке и установке конструкции.
Расположение может быть следующим:
- Расположение на бортике ванной.
- Кран с душем на стойке. Этот вариант используется в дизайнерских ванных комнатах с большой площадью. Часто ванны устанавливаются в центре комнаты, а все коммуникации прячут под пол. Такой вариант очень дорогостоящий в исполнении, так как самостоятельно, без специальных навыков, этот смеситель не установить.
- Расположение смесителя на стене. Самый распространенный вариант расположения крана. Прост в установке, не требует вызова специалиста для монтажа.
В настоящее время разнообразие моделей смесителей для душа огромно. Ниже будут представлены виды и особенности каждого.
Двухвентильный
Это классика среди смесителей и по сей день активно используется в интерьере, особенно если люди хотят внести нотку винтажности в свою ванную комнату. Температура воды устанавливается вручную с помощью двух вентилей, так происходит смешение холодной и горячей воды. Затем теплая вода под напором поступает либо в излив, либо в душевую лейку. На сам кончик крана специалисты советуют надевать специальную сетку, чтобы избежать разбрызгивания воды.
Для установки двухвентильного душа потребуются эксцентрики (переходники для подвода к водопроводным трубам). Чаще они идут в комплекте со смесителем. Для пластиковых труб используются пластиковые эксцентрики, а для металлических – исключительно из металла.
Важно обратить внимание на качественность кран-буксов. Это ключевая деталь кранов. Благодаря такой детали работают вентили. Лучше выбирать керамические кран-буксы, они дольше прослужат.
Нужно не забыть о резиновых или силиконовых прокладках для уплотнения. Во избежание протечек необходимо их регулярно заменять.
Однорычажный
В настоящее время эта модель смесителей вытесняет классический двухвентильный кран. Многие останавливают свой выбор на данной модели из-за удобства в использовании и возможности настроить воду нужной температуры.
Однорычажные краны состоят из корпуса смесителя, излива и картриджа. Сам картридж рекомендуется брать керамический, так как он служит гораздо дольше. Нужно отметить, что такой вариант дороже, чем металлический. В картридже происходит смешение воды, поэтому эта деталь чаще всего ломается. Починить ее невозможно, можно только заменить на новую. Такие смесители могут быть с рычажком или джойстиком.
Выбор конкретной модели зависит от вкуса человека и его удобства.
Бесконтактный/сенсорный
В корпусе установлен инфракрасный датчик, улавливающий тепло рук человека и включающий подачу воды, заданную согласно установленным параметрам. Под корпусом конструкции находится винт, с помощью которого можно установить напор и температуру подаваемой воды. Важно не забывать, что устройство требует своевременной замены батареек. Сенсорные краны позволяют контролировать расход воды и свести его к минимуму.
Благодаря тому, что к устройствам не прикасаются руками, они максимально гигиеничны. По этим причинам в общественных местах предпочитают устанавливать именно такие варианты.
Электронный
Эта модель крана самая совершенная. В каждом режиме работы смесителя задаются параметры напора воды и температуры. Специалисты не советуют использовать такой вариант в местностях с высокой жесткостью воды. Электронные смесители подразделяются на два вида: контактные и бесконтактные.
В контактном управлении вместо классических вентилей и рычажков используется кнопочная панель управления. Она может быть расположена как на корпусе конструкции, так и изолированно.
Бесконтактные электронные устройства (или автоматические) считаются наиболее современными и технологически продвинутыми. Принцип их работы заключается в присутствии в смесителях инфракрасных датчиков или фотоэлементов, реагирующих на посторонние предметы.
Кроме простого включения воды по заданным характеристикам, некоторые модели предполагают изменение температуры воды изменением положения рук в пространстве. Например, если руки находятся близко к датчику, то вода будет горячей, а если дальше, то прохладней.
Электронные смесители могут работать несколькими способами:
- От электрической сети. В данном случае отключение света чревато риском остаться без воды.
- От батареек. В этом случае важно помнить об их своевременной замене.
- От встроенных аккумуляторов.
- Некоторые изделия могут управляться пультом и регулироваться с определенного расстояния.
- Есть совсем продвинутые варианты. Они могут запоминать лицо человека и параметры воды, комфортные для него.
Автоматические смесители, конечно же, экономят воду и очень гигиеничны. Могут быть достаточно удобны, потому что если руки испачкались, то не нужно трогать сам смеситель. Это ценное качество для кухонного крана. Если в семье есть маленькие дети, можно не беспокоиться о том, что они забудут выключить воду. И опять же, никаких ожогов от слишком горячей воды, так как все параметры воды выставляются заранее. Ну и, конечно, автоматический кран добавит дому солидности.
Есть у сенсорных смесителей и ряд неудобств. Главный минус таких конструкций – это их высокая стоимость. Цена простой модели надежных кранов этой категории варьируется в диапазоне 8-12 тысяч рублей. Чем интересней дизайн и больше функций, тем, соответственно, цена выше.
Другой минус этого вида кранов – на кухне может быть неудобны постоянные параметры настройки температуры воды. В процессе приготовления пищи и уборки может понадобиться и горячая, и холодная вода. А постоянно менять и устанавливать новый режим не совсем комфортно. И если пользователь решит наполнить ванну, то придется стоять и ждать, пока вода не наберется полностью. Потому что без него процесс набора невозможен.
С верхней лейкой
Лейки могут быть различных форм: прямоугольная, круглая или квадратная. Есть возможность выбрать наиболее удобный диаметр. Стандартные диаметры колеблются от 6 до 40 см. Высота задается в диапазоне 90-200 см. Но зачастую лучше выбрать под себя и свою семью вариант в зависимости от роста. Самый используемый вариант – высота 120 см и диаметр самой лейки 15-20 см.
Современные лейки оснащены разными режимами работы. Это массажный эффект, эффект дождя или же узконаправленная струя. Режимы можно переключать удобным способом.
Стационарный
Этот вид исключает мобильность гибкого шланга и жестко зафиксирован на определенной высоте. Часто используется в душевых кабинках. Обычно устанавливается с достаточно широкой душевой лейкой. Таким образом, можно имитировать эффект тропического дождя. Однако многие пользователи в дополнение к стационарному устанавливают душ с гибким шлангом, так удобнее, считают они. Преимущество жесткого душа состоит в продолжительности срока эксплуатации.
В нем отсутствуют подвижные детали, поэтому нет риска перетирания или разрыва, как это бывает в случае с гибкими шлангами.
Лейка со шлангом
Гибкий шланг позволяет омывать необходимую часть тела. Кроме того, есть возможность принимать душ в сидячем положении. Плюс, можно подобрать удобную высоту для определенного человека. Все чаще верхнюю душевую лейку совмещают с лейкой с гибким шлангом. В этом случае возможности душа возрастают.
Врезной
Такой тип используется в сочетании с акриловыми ваннами, которые могут иметь много дизайнерских конфигураций. Как можно понять из самого названия, смеситель данного вида врезается непосредственно в ванну. С эстетической точки зрения это большой плюс, так как выглядит смеситель очень стильно и все ненужные и неиспользуемые детали скрыты.
Даже гибкий шланг душевой лейки прячется под ванной и достается только в момент использования. Но с другой стороны, этот нюанс представляет собой и опасность в будущем. Такое перемещение шланга приводит к уменьшению срока его эксплуатации. А если возникнет течь в самом шланге, то вовремя заметить ее будет практически невозможно. И в этом случае есть вероятность затопления соседей или попадания воды под ванну. Об этих особенностях важно помнить при эксплуатации врезных смесителей.
Скрытый
Все коммуникации и элементы монтажа скрыты в стене. Планировать установку такого смесителя нужно до того, как начаты работы по отделке помещения. Выглядит встроенный скрытый смеситель очень стильно и помогает визуально расширить пространство, так как глазу будут видны только необходимые элементы.
Порционно-нажимной
С задачей экономии воды этот вид смесителей справляется наилучшим образом. Принцип его работы прост: при нажатии кнопки включения вода поступает из определенного резервуара, спрятанного в теле корпуса. Время использования устанавливается заранее. Когда оно подходит к концу, то подача воды прекращается, а резервуар снова наполняется водой.
Главное преимущество порционного смесителя – это экономия воды. Кроме того, удобно включать и выключать воду, это действие занимает минимум времени. Но кнопочный механизм может выйти из строя.
Порционный смеситель обойдется дороже стандартных моделей вентильного и рычажного типа.
Настенный
Как следует из самого названия, местом его расположения является стена ванной комнаты. Самая популярная модель по расположению. Для монтажа необязательно вызывать сантехника, с этой работой можно справиться самостоятельно.
Материалы
Материалы, используемые для изготовления смесителей, могут быть нескольких видов.
Есть латунные краны. Они долговечные, практически не подвержены ржавчине и устойчивы к любым температурным режимам. В состав латуни входит медь и цинк. В таких кранах больше меди: от 60-80%. Этот материал безвреден и не оказывает отравляющего действия на человеческий организм. Стоимость этих изделий вполне доступна для человека с любым достатком, что тоже является плюсом латунных смесителей. Сама по себе латунь не требует дополнительного покрытия, так как является стойким материалом. Однако производители кранов предпочитают все же использовать гальванопокрытие либо эмаль/краску. Делают это не для того, чтобы улучшить качество латуни, а исключительно из эстетических соображений.
Чаще других применяется хром и никель. Никель может быть аллергенным металлом, поэтому если пользователь страдает этим расстройством, то лучше не использовать краны с подобным покрытием.
Медь и бронза популярны для нанесения на латунные смесители. Делается это для придания изделию старинного вида. Смесители, покрытые бронзой, обычно дороже по цене, чем хром или никель, но смотрятся очень элегантно.
Краска и эмаль не являются долговечными материалами, поэтому при эксплуатации латунных изделий, покрытых этими материалами, могут возникнуть сколы и трещины.
Смеситель для акриловой ванны не представляет каких-либо особенностей. Только если есть желание использовать врезной, то необходимо учесть все характеристики смесителя и доверить монтаж профессионалам.
Габариты
Правильная установка смесителя позволит использовать его как можно дольше. В настоящее время существует ряд параметров, которые стоит учесть при установке смесителя любого типа. Эти параметры прописываются в СанПине.
Перечислим основные.
- Высота крана над ванной. Этот параметр задает высоту от края ванны до смесителя. Это расстояние необходимо учитывать, чтобы контролировать шум льющейся воды и мыть большие по объемам вещи, наполнять ведра, канистры и другие резервуары водой. По стандарту эта высота составляет не более 25 см, чтобы струя воды не была шумной и не сильно брызгалась.
- Расстояние от пола до смесителя. Эту высоту от пола нужно правильно рассчитать, чтобы давление в трубах было стабильным. А значит, от этого показателя зависит напор воды в кране. По стандарту высота смесителя от пола составляет около 800 мм. Необходимо учесть, что устанавливать смеситель нужно только после монтажа ванной. Иначе можно столкнуться с ситуацией, когда смеситель будет слишком близко к краю ванной и пользоваться им будет неудобно.
- Размеры смесителя можно рассчитать исходя из того, как он будет эксплуатироваться. Если смеситель будет использоваться и для ванны, и для раковины, то сам носик крана советуют выбирать максимально длинным. Но тогда нужно учесть и высоту установки раковины. Если смеситель будет использоваться изолированно в ванной, то можно выбрать средний или короткий излив. Кроме того, выбор может быть обусловлен дизайнерским видением.
Как выбрать смеситель для ванной с душем: виды, характеристики + рейтинг производителей

Чтобы разобраться в вопросе, как выбрать смеситель для ванной с душем, недостаточно обратится за помощью к консультанту в магазине сантехники. Необходимо подробнее изучить конструктивные особенности этих устройств и разобраться в работе их механической части.
Для того чтобы не ошибиться, стоит познакомиться с производителями, чья продукция признана лучшей в этой сфере.
Правила выбора сантехнических приборов
Разнообразие моделей, предлагаемых производителями оборудования, впечатляет. Поэтому нужно перед покупкой четко понимать, какие именно функции должны быть у будущего смесителя. Познакомившись с характеристиками сантехники для ванной и рассмотрев каждую из них более детально, проще подобрать нужный вариант.
В первую очередь нужно определиться с количеством смесительных установок — зачастую они приобретаются подобного или идентичного вида (дизайн, цвет, материал). Обозначение места монтажа также играет значимую роль — от этого зависит тип установки.
После определения всех вышеуказанных параметров можно переходить к анализу представленных на рынке производителей. Не всегда разрекламированная торговая марка может представлять высококачественную продукцию. В некоторых случаях недавно вышедшие изделия представляют достойную конкуренцию брендовым, выгодно отличаясь от последних более выгодной ценой.

В зависимости от типа крепления, смесители делятся на приборы для душевых кабин, умывальников, ванны и биде. В первом случае лучше будет приобретать настенный вариант, оснащенный лейкой.
Для раковин, изделия, подающие воду, монтируются на стену или устанавливаются на полку с тремя или одним разъемом. В последнем случае лучше отдать предпочтение гибкой подводке, что не зависит от места размещения труб подключения.
Устройства для ванны имеют несколько разновидностей излива, отличающихся диаметром: длинный, средний и короткий. Различить их можно также и по месту установки: на бортике или вертикально.
Существуют также разные способы крепления душа с лейкой: к штанге, корпусу или держателю. Выпускают и модели смесителей с индивидуальной подводкой – возможен вариант напольного монтажа.

Нередко, если санузел смежный, рядом с унитазом устанавливают керамический прибор – биде. Смеситель, используемый для этой чаши, по своим техническим характеристикам схож с устройством для умывальника. Бывают однорычажные модели, которые дополнительно могут быть оснащены термостатом.
Подробнее о том, как выбрать смеситель для биде читайте далее.
Классификация смесителей с душем
Смесители отличаются между собой не только деталями управления, но и сложностью механизмов, предназначенных для смешивания воды.
В зависимости от способа управления, их разделяют на следующие группы:
- с двумя вентилями;
- с рычагом;
- бесконтактные;
- с термостатом.
Многочисленные варианты, предлагаемые производителями, вполне удовлетворяют спрос потребителей не только на классические варианты, но и на интересные модернизированные механизмы, самостоятельно поддерживающие заданный режим работы.
Виды изделий с двумя вентилями
Вентильные смесители – самые популярные приборы. Они оснащены двумя кран-буксами. При вращении вентилей производится подача и регулировка скорости, и температуры струи воды.
Дополнительно, в зависимости от применяемого механизма, система с двумя вентилями, делится еще на два подвида: червячковые и керамические.

Для ванной в классическом, ретро или кантри стилях целесообразнее остановить свой выбор на приспособлении с керамическим кран-буксовым механизмом.
Однако, если водопроводная вода не отвечает нормам, для устранения проблемы быстрой поломки керамических пластин в подающую трубу вставляют специальный очищающий фильтр.
Рычажные модели запорных устройств
Центральный элемент прибора – картридж, а к дополнительным относятся корпус, рукоятка и излив.
За счет вращения рычажной детали в стороны производится регулировка параметров:
- поворотом влево/вправо – настраивается температура воды;
- вверх/вниз – увеличивается/уменьшается напор струи.
Для достижения необходимого температурного режима и требуемой интенсивности струи воды необходимо воздействие только на одну рукоятку. При повороте захвата происходит перемещение керамических пластин, реже металлических, относительно друг друга. Вследствие этого пропускные водяные каналы либо сужаются, либо расширяются.

Механизм такого смесителя отличается исключительной точностью — каждая деталь подогнана относительно другой. Любая соринка, попавшая в запорный клапан, нарушает работу всей системы.Чтобы устранить протекание, кран легко разобрать, а картридж заменить новым.
Из достоинств таких механизмов стоит отметить, что подача и регулировка воды одной рукой осуществляется быстрее, а соответственно, и расход воды будет меньше.
Модельный ряд достаточно широк, поэтому подобрать нужный вариант можно без особого труда. При плохом качестве воды целесообразной будет установка фильтра грубой очистки. Рекомендуем также прочесть статью, где мы подробно описали принцип работы рычажных моделей. Подробнее – переходите по ссылке.
Бесконтактные или сенсорные смесители
Самые современные в плане регулировки подачи воды – сенсорные виды устройств. За счет работы инфракрасного датчика, реагирующего на тепло, исходящее от человеческих рук, производится подача воды. Температура и напор подаваемой жидкости настраивается с помощью специального винта, расположенного в корпусе устройства.
Более современные модели оснащены автоматизированным режимом смены температурных показателей. В разных моделях он срабатывает при воспроизведении определенных действий, например, при отводе рук в сторону.
Время, за которое подается вода, может быть фиксированным или неограниченным. В первом случае, подача осуществляется определенное время, а во втором будет литься, пока не убрать руки из-под гусака.

Для бесконтактного смесителя несвойственны декоративные элементы. Самые распространенные варианты имеют простое оформление, небольшие габариты. Для ванной в стиле хай-тек этот смеситель просто незаменим. Но он отличается сложным внутренним механизмом, поэтому ремонт обойдется недешево.
Вид прибора с термостатом
С каждым годом применение термостатов становится все более востребованным. В процессе функционирования они реагируют на коэффициент интенсивности двух потоков воды.
Этот премиум-класс поделен на 2 типа:
- С жидкокристаллическим экраном. Оснащен специальной панелью, на которой задается комфортный температурный режим и скорость потока воды.
- С механическим. Регулирование параметров подачи жидкости осуществляется посредством двух рычагов.
Такие изделия являются наиболее безопасными для использования маленькими детьми — вне зависимости от режима подачи воды на выходе температурный показатель никогда не будет выше или ниже заданных настроек.

Среди множества достоинств такого прибора есть и существенный недостаток – при отключении подачи воды в одном из трубопроводов смеситель автоматически отключается. В этом случае подача воды будет полностью прекращена.
Однако технологический процесс не остановлен и некоторые производители уже успели презентовать инновационные модели с термостатом, оснащенные дополнительным механическим управлением.
Различия между механизмами переключения
Для перехода с использования душа на излив применяется специальный механизм.
В зависимости от его технического устройства различают следующие виды:
- эксцентриковый;
- картриджный;
- с шаровым дивертором;
- с пробковым дивертором;
- кнопочный или вытяжной.
Первый механизм приходит в действие при вращении ручки, соединенной с эксцентриком, который, в свою очередь, приводит в движение двусторонний шток. Исходя из нужного режима, перекрывается один из разъемов.

Такой механизм отличается низкой ценовой категорией. Его можно монтировать на любой смеситель. Основное требование – совпадение диаметров крепежа излива и самой детали.
Незначительные минусы в виде быстрого износа резиновых прокладок легко устраняются. Если часто поворачивать кран, происходит расшатывание соединений, поэтому периодически их необходимо подтягивать.
Картриджное устройство состоит из одноименной детали, которая считается более надежной, в сравнении с предыдущим видом. Однако при поломке требуется его полная замена.

В шаровом диверторе основной узел образован шаром с отверстиями, размещенном между двумя резиновыми шайбами.
Это стационарное устройство, действующее по принципу запорного крана – вода попадает в боковое отверстие шара и выходит в душ/излив через другое. Среди всех представленных считается самым надежным механизмом.

Для пробкового типа переключателя характерно сходство принципа работы с эксцентриковым видом. Однако привести в действие механизм можно вытягиванием или опусканием колпачка, а не поворотом рычага.
Достать детали для такого дивертора достаточно сложно, поэтому осуществление ремонта не всегда представляется возможным.

Кнопочный переключатель режимов может быть автоматического или механического типа. Автоматический вытяжной механизм можно встретить в дорогостоящих смесителях с картриджем.
Его установка предусматривается на поворотный литой кран или же представлена отдельным блоком. При монтаже автоматического дивертора, при условии остановки подачи воды, он самостоятельно принимает первоначально положение.

Простые кнопочные конструкции на вид не отличаются от первого вида, однако для возвращения в исходную позицию, кнопку необходимо нажимать пользователю. К недостаткам таких приспособлений относят принцип их работы — в режиме «включен» создается ощутимое сопротивление переключению.
Выбор лучшего материала для смесителей
При обустройстве ванной комнаты, важное значение имеет не только принцип работы смесителя, но и дизайн самого прибора. Давно прошли те времена, когда требовалось исключительное качество изделие.
Сегодня же потребительский спрос основан на совмещении качества, цены и оригинального дизайна. Сначала стоит тщательно разобраться: в чем различие между материалами изготовления смесителей для ванной с душем, и какой из них лучше выбрать?
Металлические сплавы как лучший вариант
Бронза и латунь – традиционный вид сплавов, применяемых для изготовления смесителей.Они отличаются высокой степенью водонепроницаемости, не подвержены отложениям, образующимся от постоянного контакта с водой.

Изделия из легированной стали тоже обладают эффектным дизайном, но в процессе эксплуатации им свойственно загрязняться. Следствием использования воды жесткого состава с примесями становятся поломки. Технология обработки материала более сложная, поэтому и цена будет дороже.
И последний вариант металлического сплава – силумин (алюминий и кремний). Отличается удобством при литье. К основным недостаткам относится небольшой эксплуатационный срок и непрезентабельность внешнего вида. Самый ощутимый плюс этой категории – невысокая цена изделий.

Если поставить качество, дизайн и удобство на одну линию значимости, наиболее соответствующий потребностям пользователей вариант – сплав латуни или стали.
Пластмассовые подающие установки
Преимущества пластиковых изделий основаны на следующих показателях: низкий вес технологичного материала, стойкость к минеральным отложениям, образующихся при взаимодействии деталей с водой, низкая степень проводимости тепла, а также приемлемая цена.

Срок службы подающих установок из пластмассы намного ниже, чем у металлических. Важно, чтобы из этого материала были выполнены лишь вентильные маховики или рычаги. В этом случае пластмассовые части не снижают длительности эксплуатации комплекта.
Изящество и хрупкость керамики
Керамический вид смесителей обладает повышенной хрупкостью. Как и в предыдущем случае, такие приборы оснащены только отдельными элементами из керамики. Они играют больше декоративную роль и не влияют на качество изделия. Но уход за ними требуется более тщательный, ровно так же, как и осторожность при эксплуатации.
Тактильные ощущения при касании керамических изделий оставляют только приятные ощущения — идеальная гладкость, лоск и чистота форм являются главными достоинствами таких изделий.
Какое покрытие надежнее?
Для покрытия каждого сантехнического прибора применяются различные виды составов. Их основная задача — предотвращать механические повреждения и образование коррозийных отложений.
В качестве внешнего слоя металлических смесителей применяются хромированные или эмалевые составы. Это довольно прочное покрытие, с высокими гигиеничными показателями. Поверхность несложна в уходе и не подвержена коррозии.

При использовании эмалевого состава изделие приобретает матовость и зернистую структуру. Выбор такого рода подающей установки позволяет избавиться от наличия дефектов в виде следов от пальцев после касания и белого налета, от водяных капель.
Рейтинг популярных производителей
Вопрос о выборе оптимального смесителя для ванной с душем, чтобы в процессе эксплуатации не пожалеть практически разрешен. Однако стоит затронуть еще и тему хороших производителей, рейтинг которых представим далее.
Не секрет, что представленные на рынке смесители российского производства менее популярны, в сравнении с зарубежными. Связано это с тем, что многие отечественные фирмы уже успели зарекомендовать себя с плохой стороны, поэтому и кредит доверия у покупателей снизился.
Лидер — Hansgrohe (Германия)
Первое место занимают качественные изделия немецкой фирмы Hansgrohe – мирового лидера в области сантехнических приборов. Наибольшее распространение получили смесители, предназначенные для ванных комнат с небольшой площадью.
Эта линейка представлена механизмами компактных параметров, с качественными элементами крепления.

Ассортимент изделий весьма широкий: представлены как вентильные, так и однорычажные установки, термостаты и приборы с разнотипным креплением. Преимущество в производстве отдается хромированной латуни. Гарантия на подающие механизмы 5 лет, однако в действительности срок службы значительно выше.
Второе место за Kludi (Германия)
У смесителей этого немецкого бренда качество соответствует наивысшим международным стандартам. Среди множества плюсов стоит отметить прочность, многозадачность, а также неповторимый дизайн приборов — они совмещают инновационные решения и классические формы.

Дизайнерские решения в моделях Kludi разнообразны, поэтому найти подходящий вариант для любого интерьера будет несложно. В качестве материала изготовления продукции выбрана нержавеющая сталь с хромированным покрытием. Помимо классических вариантов, изделия могут быть выполнены в белых и черных тонах.
Третье место у Oras (Финляндия)
Еще можно много перечислять достаточно статусных фирм с изделиями класса люкс. Однако если взять соотношение цены и качества, то на третьем месте можно смело разместить финскую сантехнику от фирмы Oras.
Выпускаемая продукция отличается не менее высоким качеством нежели у немецких собратьев. Столь обширный и ряд моделей, представленный компанией.

В качестве основного материала изготовления смесителей фирма отдает предпочтение АБС-пластику. За счет этого себестоимость изделий значительно снижается, при этом не ухудшается качество устройств.
Единственный минус, отмеченный пользователями, – выгорание цвета в процессе эксплуатации. Но эта проблема свойственна моделям, выполненным в нестандартных цветовых оттенках.
Выводы и полезное видео по теме
Принцип выбора наилучшего смесителя. Основные характеристики, на которые необходимо обращать внимание, приведены в видео:
Обзор бюджетного варианта качественного смесителя Haiba в видео:
Смесители GROHE Eurodisc Joy для ванной комнаты с инновационным механизмом управления представлены в видеоролике:
Подводя итоги можно с уверенностью сказать, что для умывальника лучше подбирать двухвентильную модель с коротким изливом. Таким образом получится более точное управление температурными показателями. Для ванны – излив у прибора должен быть не менее 20 см.
Пишите, пожалуйста, комментарии в расположенном ниже блоке. Возможно вам удалось приобрести новую модель смесителя для ванной? Расскажите, на какой модели остановили вы свой выбор? Довольны ли вы его работой?
Разнообразие смесителей для душа и особенности установки
Когда планируется
установка нового смесителя, решающее значение имеет то, куда именно его нужно будет устанавливать. Самое наилучшее, когда для душа приобретается специально предназначенный для этого смеситель, тогда он будет лучше работать, и монтаж его произвести легче. Хотя может быть произведена установка и одного смесителя для раковины и душа, как это и делалось раньше. В таком случае нужен будет поворотный слив длиной более 30 см. Такой монтаж требует дополнительных усилий. Сейчас в ванных комнатах такое оборудование встречается все реже, большинство приобретают более современные смесители с четко разделенными функциями.

Обычно смеситель для душа монтируют на высоте от одного метра от пола.
Отличительные особенности смесителей для душа
Главным отличием душевого смесителя от всех остальных являются его компактные размеры, поскольку в них не предусмотрен излив и переключатель ванна-душ.
Здесь поток воды направляется сразу в смеситель, где и смешивается до необходимой температуры. Монтаж смесителя для душа можно выполнить как скрыто, так и внешне.
Душевые головки тоже отличаются по числу возможных видов струй: самые простые оснащены двумя, а более дорогие и сложные — начиная от 5. Смесители, а также головки для душа, могут быть оснащены специальной функцией, позволяющей экономить воду. Кроме того, может быть встроена очистительная система, защищающая от тех примесей, которые растворены в воде. Шланг может быть изготовлен из пластмассы, которая дополнена эластичной оплеткой. Душ со шлангом обычно находится в подвешенном состоянии, он прикрепляется на рычаг или ручку. С помощью углового соединения шланг подключают к водопроводу.

Схема настенного смесителя для ванны.
Соединитель тоже устанавливается на стене. Для более эстетичного внешнего вида шланг можно спрятать под ванной, для этого необходимо просверлить отверстие с краю чаши ванной и поместить в него втулку, которая будет служить местом для хранения душевого комплекта. Шланг может как висеть свободно, так и убираться в контейнер при помощи специального автоматического устройства. Стационарная душевая головка удобна в том случае, когда предполагается принимать душ стоя. Можно использовать при установке подвижный шарнир, при помощи которого легко меняется направление воды. Вид струи тоже можно изменять.
Наиболее современными и популярными являются дождевальные головки, установленные на потолке или на кронштейне в стене. У такой установки диаметр больше обычного, отверстий тоже больше. Дождевальные головки могут быть изготовлены таким образом, что происходит смешивание воды с воздухом. Для гидромассажа можно установить боковые форсунки, которые расположены по вертикали параллельно друг другу в 2 или 3 ряда. Если форсунки имеют шарниры, то имеется возможность управлять направлением струи воды.
Установка стационарного смесителя для душа, имеющего лейку и однорычажный переключатель
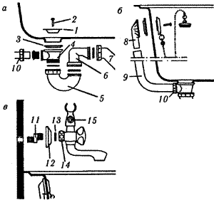
Схема монтажа душа: а — монтаж сливного оборудования, б — монтаж смесителя душа, в — крепление настенной штанги и шланга, 1 — выпуск, 2 — прокладка, 3 — контргайка, 4 — пластина, 5 — сифон, 6 — угольник, 7 — отвод.
Основным элементом, при помощи которого подается вода, является душевой смеситель, на который возложены функции по регулировке температуры и напора потока воды. Очень важным является правильное распределение потока воды, который подается из лейки душа. Сейчас существуют самые разные лейки для душа, которые оснащены одним, двумя и более режимами. Смеситель может быть самой разнообразной конструкции, которая зависит от того, насколько сложно устроена лейка. В простых для переключения применяется однорычажная система, при помощи которой вода подается на кран или душ. Лейка может быть установлена как на жесткую строго фиксированную трубу, так и на гибкий шланг, а также один шланг может быть оснащен двумя лейками. Есть и такие смесители, при помощи которых можно переключать воду между душами.
Смеситель для душевой кабины устроен более сложно. Существуют душевые кабины, оснащенные сразу несколькими душами. Здесь можно использовать несколько режимов для переключения воды. Могут быть установлены смесители с двумя и более переключателями. Все большее распространение получают шаровые смесители, где настройка нужных параметров производится при помощи перемещения рычага в разные стороны.
Такой смеситель универсальный, поскольку может работать и в излив крана, и в душевую лейку. Обычно здесь есть переключатель, меняющий режим. Такие смесители получили распространение в ванных комнатах, где имеется умывальник. Здесь устанавливается кран с длинным изливом и для душа гибкий шланг.
Как устроен кран у летнего душа: установка душевого смесителя с лейкой

Схема монтажа оборудования в ванной: а — монтаж сливной аппаратуры, б — монтаж перелива, в — монтаж смесителя для ванны, 1 — сетка, 2 — винт, 3 — прокладка, 4 — тройник, 5 — сифон, 6 — угольник, 7 — отвод, 8 — выпуск перелива, 9 — труба, 10 — гайка, 11 — Z-образный патрубок, 12 — розетка, 13 — прокладка, 14 — накидная гайка, 15 — шланг ручного душа.
Большое распространение имеет летний душ, который устанавливается на дачном участке. Самой простой разновидностью является бочка, в которую вмонтирована лейка для душа и кран. Нагревается вода в таком душе за счет прямых солнечных лучей, а вода подается самотеком, поскольку бочка установлена на высоте. Большим минусом такой установки является то, что нет возможности самостоятельно регулировать температуру воды, что становится настоящей проблемой в прохладную погоду. Но, тем не менее, именно такой душ пользуется большой популярностью, поскольку его легко изготовить и установить самостоятельно, монтаж может выполнить один человек.
Большое распространение получает водонагреватель, к которому подключается душевой кран. Регулировка температуры в нем производится при помощи термостата нагревателя, поэтому функция крана сводится только к регулировке водяного напора. В зависимости от того, сколько горячей воды используется, водонагреватель может быть проточным или накопительным.
В летней душевой кабине кран обычно выше лейки. Это делается для того, чтобы упростить монтаж и облегчить регулировку потока воды. Также такой душ может быть оснащен двумя и более лейками, что позволяет принимать водные процедуры одновременно нескольким людям, что очень удобно.
Правильный монтаж крана у душа и высота, на которую в душе устанавливается смеситель
Когда выполняется монтаж смесителя, большое значение имеет та высота, на которую он устанавливается. Имеет значение и высота, на которой находится сам смеситель, и та высота, на которой расположена душевая лейка. Чаще всего смеситель устанавливается на высоте 0,9 — 1,4 м, а высота лейки зависит от роста человека.
Самыми первыми были смесители для такого душа, в котором вода на лейку подавалась по трубе. Позже стал применяться гибкий шланг, что значительно упростило пользование душами. Чтобы его зафиксировать, применяется кронштейн. Современная конструкция стала еще удобнее. Она представляет собой штангу и передвижной фиксатор, при помощи которого можно изменять высоту лейки в зависимости от роста человека.
Чаще всего смесители для душа устанавливаются в стену, но может быть выполнен монтаж на борт или пол. Последний вариант подходит для такой ванной комнаты, размер которой велик. Для малогабаритной квартиры больше подходит встроенный смеситель, который складывается или убирается тогда, когда он не нужен. Таким образом происходит экономия места.
Популярность душевых кабин с каждым днем увеличивается. Смеситель в них обладает сложной конструкцией. Как правило, его установка уже произведена. Здесь требуется лишь подключение воды и слива.
Инструменты, которыми производится монтаж смесителя
Большое значение при монтаже смесителя имеет правильность выбора инструментов. Понадобятся:
- разводные ключи с шириной развода не менее 32 мм;
- газовый ключ под номером 2;
- пассатижи 4;
- отвертки — можно обойтись двумя — обычной и крестообразной;
- шестигранные ключи на 6, 8, 10 и 12;
- рожковый ключ 12х14.
Лучше всего брать такие инструменты, которые имеют плоские губки. Этот набор поможет не только установить новое оборудование, но и снять старое. Но при работе с инструментами требуется проявлять осторожность, поскольку велика вероятность повредить смеситель. Чтобы этого избежать, можно обмотать детали, пассатижи и ключи изолентой.
Смеситель для душа: особенности выбора и варианты
Оборудование для ванной комнаты должно быть практичным, надежным, красивым, функциональным. Смеситель для ванной – важный механизм, от качественной работы которого зависит комфорт принятия душа или ванны. Смешивание горячей и холодной воды, регулировка ее температуры – это задача смесителя. И если он по каким-то причинам приходит в негодность, его необходимо заменить. Выбрать смеситель – красивый, удобный, долговечный, надежный и простой в эксплуатации – вот задача потенциального покупателя. И что бы не ошибиться с выбором, необходимо выяснить, какие смесители бывают, чем они отличаются друг от друга, каковы их функциональные особенности и условия эксплуатации.
Содержание:

Смеситель для ванны и душевого ограждения– в чем разница?
Смеситель для душа – функционально необходимая деталь, предназначенная для смешивания горячей и холодной воды. Разнообразие моделей, представленных на рынке, очень широко. А поэтому выбор сделать достаточно сложно. Самое главное, не ошибиться при покупке смесителя для душевого ограждения и смесителя, устанавливаемого непосредственно на ванну:
- Смесители для душевого ограждения не имеют специального излива;
- Для ванны смеситель имеет большие размеры, по сравнению с подобным устройством, устанавливаемым в душевом ограждении;
- В ванне устанавливаются смесители, имеющие специальные выходы для крепления смесителя и душевого шланга, для бокса же смеситель – отдельный элемент, смешивающий воду и подающий ее на различные компоненты душевого ограждения.
Технический прогресс касается всех сторон жизни, и оборудование для ванных – не исключение. Все чаще в душевых ограждениях устанавливаются смесители с электронной терморегуляцией подаваемой в лейку воды. Такая электронная начинка не используется в обычных смесителях, устанавливаемых на ванну или раковину. Поэтому смесители можно разделить еще на две группы:
- С ручной регулировкой температуры изливающейся воды;
- Электронный терморегулятор, контролирующий заданную температуру.
Ручная регулировка – традиционный способ подбора комфортной температуры для принятия водных и гигиенических процедур. Она не позволяет получить стабильный показатель, если меняется напор воды, температура подаваемой в смеситель горячей воды. Ну, а запрограммированная температура будет всегда постоянной, не смотря на изменяющиеся внешние параметры.
Как регулируется подача воды?
Смеситель для ванны выполняет несколько функций – смешивает горячую и холодную воду, регулирует температуру воды на выходе для потребления, регулирует силу подачи воды в смеситель или лейку душа. Для регулировки этих показателей смеситель снабжается специальным устройством. Это может быть поворотный рычаг, а могут быть два вентиля.
Смесители, снабженные одним поворотным рычагом, в большинстве случаев устанавливаются в душевые ограждения. Такое приспособление удобно – подняв рычаг в нужное положение сразу получаешь горячую воду. Изменение температуры изливаемой воды происходит регулировкой положения рычага в ту или другую сторону, в зависимости от необходимости. Это механический рычаг. Также такие устройства могут быть снабжены электронным сенсором, который поможет получить комфортный температурный режим при помощи управления специальной панелью.

Смесители с поворотными вентилями – традиционный вид такого сантехнического устройства. Регулировка температуры изливаемой воды производится попеременным открытием и закрытием вентилей с холодной и горячей водой, в зависимости от того, в какую сторону необходимо изменить температуру, что бы было комфортно. Сами вентили могут быть как с поворотным запорным устройством, так и с шаровым. И тот и другой вид активно используются для смесителей. Разница их заключается в том, что что шаровый можно открыть и закрыть в один поворот ручки, в то время, как вентиль требует нескольких оборотов. Двухвентильный смеситель имеет одно неоспоримое преимущество – в нем можно заменить утратившие эксплуатационные качества прокладки. Износ этих элементов происходит из-за механического повреждения при открытии-закрытии смесителя, а также из-за скопления отложений солей жесткости, образующихся из воды. Смеситель, в котором невозможна замена испорченных прокладок, подлежит полному демонтажу.
Постоянная температура используемой для принятия гигиенических процедур воды необходима для комфорта. Чтобы не приходилось постоянно вручную регулировать температуру используемой воды, нужно приобретать смеситель с термостатом. Термостат – устройство, контролирующее температуру изливаемой воды и самостоятельно изменяющее приток теплой или холодной воды в зависимости от заданных параметров. Термостат для смесителя душа чаще всего представляет собой небольшое по размерам устройство, размещаемое непосредственно на смесителе. Такое устройство позволяет принимать водные процедуры без дискомфорта из-за смены температуры. К тому же, термостат запоминает прежде заданный параметры, что очень удобно в плане экономии времени. Так же, это приспособление позволяет позаботиться о безопасности, если в доме есть маленькие детки – открыв воду, они не обожгутся подаваемой в трубы горячей водой, ведь термостат не позволит подняться температуре изливаемой воды выше указанной. Кстати, наиболее комфортной для принятия гигиенических процедур для человека считается температура в диапазоне 38°-40°С. Ниже она будет уже прохладной, а выше – через чур горячей.
От примитивной лейки к дождю и водопаду
В душевых ограждениях и обычных ванных комнатах с ванной можно установить различные по своему дизайну и стилю излива воды приспособления.
Понятно, что для ванны практичнее и удобнее монтировать привычные лейки. Они могут быть съемными или стационарными, могут иметь больший или меньший диаметр, а так же разное количество отверстий на пластине. Съемная лейка практична, ее можно снять, переместив в нужном направлении при помощи специального шланга, осуществляющего передачу воды из смесителя в лейку. Для укрепления лейки в рабочем положении в большинстве случаев используются специальные стойки – достаточной высоты направляющие со специальными креплениями, куда ставится лейка, принимающая заданное расположение для комфортного принятия душа. Так же на стойке могут располагаться дополнительные элементы в виде полочек, держателей или мыльниц. Стойка для душа – универсальное приспособление для оборудования и душевого ограждения, и привычной ванны. Ее, кстати, можно использовать, если место в помещении не позволяет разместить чашу ванны, или же установить традиционное душевое ограждение. В таком помещении практичнее и удобнее всего обустроить душевой бокс – с перегородками в пол, сливным отверстием на дне и смесителем с лейкой и стойкой для нее. Минимализм и практичность – вот преимущества такого дизайнерского решения.

Но ведь смеситель может подводить воду не только к лейке. Очень часто, особенно в душевых ограждениях, используется такой способ излива воды, как каскад. Его отличие от традиционного смесителя или лейки с отверстиями состоит в том, что вода выливается из него через достаточно узкую, но длинную щель, делающую воду похожей на мини-водопад. Поток воды в таком смесителе сильнее и больше. Но это устройство несколько дороже, чем привычные душ с лейкой.
Вариантов дизайнерского решения душевых ограждений множество, и в части смесителей и изливов к ним. Интересный вариант – душ-дождь. Это широкая пластина с мелкими отверстиями, рассеивающая воду в виде дождя. Крепится она к потолку душевого огораждения, монтаж в ванной комнате оптимален в случае устройства душевого бокса, а не привычной ванны.
Смеситель есть, или смесителя нет?
Обустраивая ванную комнату, необходимо решить стилистическое направление оформления, а также функционал. Если необходим дополнительный смеситель для теплой воды из смесителя, то приобретается один вид – с изливом. Если же такая функция в принципе не нужна, а смеситель подает воду или в лейку душа или в несколько приспособлений сразу, то смеситель следует покупать без излива. Чаще всего смеситель с изливом приобретается настенный. В то время как встраиваемый смеситель можно спрятать за обшивку.
Встраиваемый смеситель удобен тем, что его не нужно постоянно чистить и натирать для придания соответствующего эстетического вида. Но в случае его поломки, придется снимать прячущую его обшивку ванны или душевого ограждения. Настенный же смеситель требует постоянного ухода – чистки от потеков, отложения солей и мыльных пятен. Но зато в случае ремонта замены требует только смеситель или прокладки в нем, а все обустройство ванной комнаты остается не тронутым.

Излив смесителя – дело выбора. Если он действительно нужен, то необходимо решить, для чего он будет использоваться, ведь такое дополнение к смесителю может быть как коротким, так и достаточно длинным, может быть статичным, а может поворачиваться на 180°. В зависимости от назначения и стоит покупать смеситель с гусаком. Если рядом с ванной находится раковина, куда тоже необходима вода, то излив лучше всего приобретать поворотный и подлиннее. Если смеситель нужен и для принятия душа, и для набора воды в ванну, то гусак может быть коротким и без поворота. Смеситель, предназначенный лишь для подачи воды в шланг лейки, или каскада, или на форсунки ограждения, в изливе в принципе не нуждается.

Все новинки – в душ!
Немало технических разработок используются для обустройства быта. Те же смесители, например, могут быть очень различными один от другого по многим параметрам. Например, сенсорные устройства, реагирующие на приближение человека. Вот и смесители не обошли стороной эту новинку. Теперь совсем не обязательно крутить вентили для того что открыть или закрыть воду, да и поворачивать рычаг не нужно – сенсорный датчик с терморегулятором, выставленным на определенные параметры снабдят водой комфортной температуры лишь при приближении к смесителю. Ничего делать не нужно: встал под душ или поднес руки к смесителю и, пожалуйста, – теплая вода тут же пошла. По своему дизайнерскому решению смесители с инфракрасным датчиком и терморегулятором – абсолютно минималистичны, ведь ничего, кроме двух простейших для современной электроники устройств, они не предполагают.
Единственный минус – отсутствие электропитания, мало ли что, сделает такой смеситель бесполезным наворотом. Хотя встроенный блок со сменными элементами питания решит эту небольшую проблему.

Из чего же делают смесители?
Не смотря на все новшества, которые могут быть использованы в смесителях для ванны и душа, самым главным остается вопрос о том, из какого материала сделан смеситель. Ведь именно от этого параметра зависит качество работы смесителя для воды, его долговечность и надёжность.
Традиционный материал – это латунь. Многокомпонентный сплав, основным элементов которого является медь, позволяет получить комплектующие для сантехники, работающие в жестких условиях. Латунные смесители, вентили – долговечны и надежны. Современные дизайнеры придумывают красивые ходы для стилистического решения этих примитивных деталей – под старину или в тиле хай-тек –все, что захочет потенциальный покупатель. Латунные детали стоят, несомненно, дороже своих композитных собратьев.

Смесители чаще всего делают из пластика, обладающего определенными прочностными и износостойкими характеристиками, для улучшения внешнего вида такие детали покрывают специальной краской «под металл». Пластмассовые смесители – самые распространённые. Им можно придать любую форму, наполнив любым функционалом. Но такие детали имеют меньший срок службы по сравнению с металлическими. Зато цена из на порядок дешевле, а монтаж значительно проще, что делает их наиболее удобными в смысле соотношения цена-качество. Купить на замену – не составит особых проблем, впрочем, как и заменить.
Выбор сантехники и комплектующих к ней – дело серьезное, ведь от качества работы всех составляющих и складывается комфорт во время гигиенических и водных процедур – температура воды, сила напора, точность регулировки этих показателей, а также срок службы устройства и простота замены в случае поломки.





