Подсветка потолка светодиодной лентой своими руками

Уже прошло 3 года с момента сдачи дома-новостройки в эксплуатацию. Сперва я сделал простой ремонт своими руками. Теперь дом сел, стены прогрелись и проявились некоторые дефекты. На потолке в местах стыка плит появились две большие трещины длиной по 6 метров вдоль всей комнаты.
Супруга стала требовать ремонт, но современных и интересных вариантов отделки много и она не может определиться. Задумал сделать подсветку потолка светодиодной лентой своими руками.
Почитал на других сайтах про монтаж, но там написана бесполезная муть, потому что пишут авторы, которые в этом не разбираются и никогда этим не занимались. Объяснять супруге тонкости и преимущества всё равно придется, поэтому решил это сделать в письменном виде, вам тоже будет интересно.
Рекомендую предварительно прочитать:
1. подготовка к монтажу
2. как выбрать блок питания на 12В
3. подключение светодиодной ленты к 220В по схеме

- 1. Виды потолков
- 2. Виды освещения и подсветки
- 3. Выбираем диодную ленту
- 4. Плотность светодиодов
- 5. Цветная подсветка
- 6. Как установить светодиодную ленту на потолок
- 7. Дополнительные способы
- 8. Подсветка подвесного потолка, видео
- 9. Комплектующие и подключение
- 10. Полиуретановые карнизы
Виды потолков

Рассмотрим основные популярные виды для дома:
- натяжной;
- подвесной гипсокартонный, реечный, кассетный;
- подвесно-натяжной, гибрид гипсокартонного и натяжного;
- одноуровневый и двухуровневый.
Натяжной — современный и практичный вид, быстро устанавливается. Большой плюс, это глянцевая поверхность и прозрачность пленки, глянец лучше отражает световой поток.
Фото, свет изнутри
Козырно выглядит использование светодиодной ленты для подсветки потолка изнутри. Если у вас разыграется фантазия, то например можно сделать:
- звездное небо, шикарно смотрится ночью;
- логотип своей спортивной команды или автомобиля;
- хоть простой рисунок с пальмами и морем.
Звездное небо, фото
Из-всех видов я выбрал натяжной, с предварительным креплением звукоизоляции под пленку.
Гипсокартонный и подвесно-натяжной будут достаточно оптимальными при одноуровневом проекте. У меня в квартире отлично слышно соседей сверху, тем более у них 2 маленьких ребенка, они могут стучать по полу в 3 часа ночи, у нас отдается как в барабане. Под гипсокартон можно будет разместить звукоизолирующие маты, чего нельзя сделать на натяжном, без приклейки.
Двухуровневые потолки выглядят интересно с дизайнерской стороны, но у них гораздо выше сложность исполнения и большой объем гипрочных работ. Я могу себе их позволить без особого ущерба, высота моих 280 см, что выше обычных 250 см. Выглядят красиво, но с точки зрения практичности, просто будут дополнительные расходы. Через пару недель вы на него уже не будете обращать внимания. Эту сумму я могу потратить с большей пользой, чем на бесполезное дизайнерское оформление.
Виды освещения и подсветки

Функции, которые может выполнять при размещении на потолке или верхней части стен.
- декоративная белого цвета;
- декоративная одноцветная или цветная RGB;
- основное освещение;
- вспомогательное, дополняющее основное, типа ближнего света в авто;
Мне захотелось комбинированный тип. Хорошие и красивые люстры стоят дорого, и в современный дизайн уже не вписываются, выглядят устарелыми. Классическое, это встроенные светильники и свет по периметру комнаты.
Сплошная заливка внутри второго уровня, фото комнаты дома
Чтобы по периметру не прокладывать мощную диодную ленту и дорогой алюминиевый профиль, думаю разместить Леды средней мощности, для выполнения функции не яркого освещения. Для яркого света в центре комнаты установить встраиваемую потолочную светодиодную панель под Армстронг, которая при размерах 60 на 60 см светит на 3600 Лм., имеет толщину всего 1 см. Для меня стоимость такой led панели будет около 1000 руб.
Почему именно панель? – фактически мне не требуется яркое освещение каждого угла, к тому же стены у меня крашеные светлые, свет будет отражаться. Она светить будет максимально эффективно только вниз, на полу будет много света для игры детей.
Выбираем диодную ленту
Самые популярные модели
Для подсветки лучше использовать светодиодную ленту 3528 или 5050, которая не требует алюминиевый профиль для охлаждения. Его мощность не должна превышать 10 Вт/м.
Для белой оптимальной будет плотностью на SMD 5050 60 диодов на метр. Фактическая мощность может отличаться в ту или иную сторону, узнать её можно только измерением потребляемой силы тока. Светодиоды 5050 могут быть недорогие на 13 Лм, и повышенной яркости на 19 Лм, маркируются как LUX (High class) люксовая. Она уже имеет потребление 14-15 Вт.
Средняя яркость с диодами на 13Лм будет 800 Лм/м. что соответствует лампе накаливания на 60-75W. С led диодами на 19Лм. яркость на 1 м. 1150 Лм., это эквивалент обычной лампочки на 90W.
Гибридные виды, RGB + обычные
| Яркость одного 5050 | Яркость Лм. на 1м. | Эквивалент лампы накаливания |
| 13 Лм. обычный | 800 | 75 |
| 19 Лм, люксовый | 1150 | 90 |
Не покупайте на мало популярных светодиодах SMD 3014, 7020, 3020. Большая вероятность приобрести комплектующие низкого качества и с завышенными техническими характеристиками.
Так же существует светодиодная лента на 220В, подключение которой производится прямо в розетку с использованием простого выпрямителя. Еще она называется уличная и в жилых помещениях её нельзя использовать.
Если мощность велика или не вписывается в 10W /м. то её можно понизить регулятором на блоке питания. Просто будет запас по мощности и дольше прослужит. Чтобы избежать установки на специальный светодиодный алюминиевый профиль, купите двойной ширины. Тогда потребуется радиатор для охлаждение только при мощности более 20W/м.
Плотность светодиодов
Плотность светодиодов
Рассмотрим плотность светодиодов, от этого зависит равномерность диодного освещения. Вместо привычной равномерной, местами можно сделать прерывистую. Самое малое количество светодиодов это 30 шт/м., полоса света будет волнистой по краю.
Цветная подсветка
Цвета одноцветной и трехцветной
Цветная может быть выполнена в нескольких видах:
- одноцветная, красная, синяя, зеленая;
- трехцветная RGB, красная, синяя, зеленая;
- многоцветная RGB, 16 цветов, нужен контроллер;
- гибридная, чередуются RGB и белые.
Отличие led диодов. Светодиод 5050 состоит из 3 штук 3528, соответственно мощнее в 3 раза. Не путайте 3528 и 2835, они одинаковые по размеру, но 3528 на 0,06W, а 2835 обычно на 0,2W.
Как установить светодиодную ленту на потолок

Монтаж на натяжном потолке делается двумя способами:
- монтаж на карниз, короб, потолочный плинтус;
- установка изнутри по периметру, свет проходит через пленку.
На рисунках приведены наиболее распространенные расстояния при монтаже.Особых требований к установке нет, можно смело экспериментировать до получения удовлетворительного результата. Уложенный источник света можно не крепить, что позволит в дальнейшем его двигать.

Вар. №1 обеспечивает более интенсивную освещение не только натяжного потолка, но и помещения. Передвигая закладку внутри короба можно регулировать ширину подсветки в помещении.
Вар. №2, создает эффект парящего потолка, особенно хорошо смотрится с легким голубым цветом неба.

Вар. №3, используется для создания световых полос изнутри. Можно выложить, например, простой рисунок или логотип Фольксвагена.
Вар. №4, делает подсветку внутри натяжного по всей площади. Небольшой короб по бокам визуально увеличит подсвеченную поверхность. Более простой и практичный способ, это крепить прямо на стену, тоже выглядит прилично, но дело вкуса.
Дополнительные способы

Вар. №5, подходит для основного led освещения помещения.
Вар. №6, нижний профиль монтируется накладным способом в виде светодиодного светильника на гипсокартонную поверхность. Возможна замена на потолочный плинтус.

Вар. №7, из-за сложной формы карнизов обычно леды размещают на стене.
Вар. №8, плинтус крепится ниже на 50 -70 мм. и на нем размещается источник света. Это бюджетный монтаж, подойдет любой дешевый плинтус, не обязательно полиуретановый. Угол свечения светодиода 120 градусов, по этому при таком размещении он не будет слепить и практически не будет виден.

Вар. №9, гипсокартонный короб двухуровневого натяжного
Вар. №10, визуально увеличивает высоту за счет подсветки стены.
Подсветка подвесного потолка, видео
Установка источника света тесно связана с монтажом всей конструкции. На видео специалисты подробно покажут последовательность монтирования двухуровневого подвесного потолка от самого начала. Основное освещение будет сделано на встроенных светильниках, ленточный источник будет использовать для декоративный.
Комплектующие и подключение

Подготовка к установке и сам процесс установки описал в отдельных статьях,
установка светодиодной ленты своими руками
Перечень необходимых материалов для монтажа:
- плинтус потолочный, карниз полиуретановый, гипсокартон;
- блок питания;
- диммер или RGB контроллер, с пультом дистанционного управления или без;
- коннекторы для соединения;
- кабель для сети 220В.
Полиуретановые карнизы
Люксовые дизайнерские карнизы
Оптимальный и простой способ подсветки натяжного потолка, это использование полиуретановых карнизов, молдингов, галтелей, плинтусов. Карнизы достаточно дорогие продаются отрезками по 2 метра и имеет множество типов отделки, лепнины, рисунков, подходит для покраски.
Полиуретановые потолочные карнизы
Для сложных дизайнерских форм выпускается в гибком виде, но стоит в 2 раза дороже, маркируется, как плинтус FLEX. Стоимость российского Европласта составляет от 350 до 900 р/м.
Продукция китайского производства, фото профиля
Более доступная цена у китайских производителей, длина изделий 240 см., чтобы сравнивать, потребуется посчитать цену за метр. В среднем 400 р/м. за гибкий, и 200-250 р. за обычный.
Если потребляемая мощность получается большой, а вы хотите спрятать блок питания за карнизом, то используйте несколько источников питания меньшего размера.
Здравствуйте.
В вариантах 3-4 источник света оказывается за полотном натяжного потолка. отсюда вопросы:
какое растояние выдерживать чтобы не перегревать полотно?
при неисправности ИС придется проводить демонтаж потолка? (светодиоды тоже перегорают))) Какие есть варианты для упрощения обслуживания ИС?
Всё зависит от уровня нагрева источника света. Чтобы не обслуживать и не ремонтировать, то лучше ставить качественные комплектующие.
подскажите пожалуйста можно сделать подсветку на полках под цветы.. ? у меня три полки как сделать подсветку параллельно по 50 см и соединять переходными проводами ?или в виде пальмы ствол и ответвления от центрального ствола по разные стороны попорядку начиная с нижней полки и подниматься по стволу на вторую потом на третью как .
Пальма или нет, это дела вкуса. Светодиодную ленту можно по разному подключать.
Вопрос — а почему нельзя в помещениях нельзя использовать т.н. уличную ленту?
Я хочу взять в силиконе, чтобы было удобно убирать пыль с ленты (горизонтальное крепление под потолком станет все равно пылесборником)…..
Вопрос 2 — а можно-ли использовать ленту 9,6 вт/м с монтажом на пластиковый тонкий уголок?
Тут я всех с ума свел — никто не может сказать как рассчитать мощность ленты для дополнительного освещения комнаты 20 кв. м., цвет ТЕПЛЫЙ белый, с учетом потери мощности на белом крашеном потолке при условии направления света снизу-вверх на околопотолочном плинтусе (расстояние от потолка порядка 70 мм.
Поможете с выбором мощности, количества диодов и т.д.
Спасибо
Виктор
Почитайте раздел про светодиодные ленты, там все написано.
Услуг по выбору не оказываю.
Как сделать подсветку потолка из светодиодных лент?
- Светодиоды для потолка
- Как подключаются светодиодные ленты?
- Ошибки при монтаже подсветки
В настоящее время применяются различные приемы оформления, не остается без внимания и освещение. Для подвесных и натяжных потолков используют светодиодные ленты, они могут устанавливаться разного цвета. Это по большей части карнизная подсветка, освещение ниш, выделение различных ярусов потолка. Светодиодные ленты не только занимают минимум места при установке, но и совершенно не видны снаружи. Само подключение не отличается большими сложностями, выполняется за максимально короткое время. Светодиоды еще и экономичны, потребление электроэнергии небольшое, зато яркость освещения значительная. Как сделать подсветку потолка, чтобы разнообразить интерьер? Сначала надо правильно выбрать светодиоды, только потом приступать к монтажу.

Светодиоды в подсветке потолка не потребляют много энергии.
Светодиоды для потолка
Как сделать подсветку из светодиодов правильно? Сначала надо определиться, какие ленты будут использоваться, какой цвет подходит больше всего. Сегодня в продаже можно найти различные варианты лент, но чаще всего они уже имеют самоклеящуюся поверхность с одной стороны и светодиоды с другой. Перед монтажом достаточно снять защитную полоску и просто приклеить светодиоды на необходимое место.
Для установки применяются светодиоды таких модификаций:

Многоцветная подсветка потолка считается самой дорогой, так как содержит разноцветные кристаллы.
- одноцветные, т. е. обычные синие, красные, зеленые, желтые и прочие;
- белые ленты. Они обладают меньшим сроком службы, объясняется это особенностями их изготовления. В природе нет белых кристаллов, поэтому такие диоды получают из синих со слоем люминофора. Со временем этот слой выгорает, свет начинает постепенно уходить в синюю часть спектра;
- многоцветные, они самые дорогие, так как состоят их 3-х кристаллов синего, зеленого, красного цвета.
Но, кроме выбора оттенка, необходимо еще и определиться с тем, нужны защищенные ленты или нет. Можно купить светодиоды, укрепленные на полосе или в самой ленте. Последние можно монтировать даже под водой, их часто используют для подсветки бассейнов. Для потолка такая степень защиты тоже необходима по той причине, что при уборке влажной ветошью их можно повредить. Специалисты советуют покупать ленты в силиконе.
Их стоимость выше примерно в 2 раза, но зато надежность лучше, как и сроки службы.
При использовании на системе не оседает пыль в таком большом количестве, да и чистить ленту намного проще: достаточно лишь аккуратно протереть ее. Кроме лент, приобретаются специальные блоки питания, контроллеры для многоцветных лент. Они используются для правильной эксплуатации системы светодиодного освещения.
Вернуться к оглавлению
Как подключаются светодиодные ленты?

Схема подключения светодиодных лент.
Для подвесных потолков необходимо дополнительно применять оборудование, чтобы обеспечить удобное управление подсветкой. Для управления светодиодами приобретают специальный контроллер, часто к нему прилагается пульт дистанционного управления. Это дает возможность легко менять цветовой режим, создавая определенное настроение.
При подготовке потолка к работе внимание требуется уделить тому, какая именно лента и при каких обстоятельствах будет использоваться. Для гостиной, спальни, холла, столовой можно устанавливать обычную ленту без защиты, но если в помещении повышенный уровень влажности, то рекомендуется монтировать защищенные светодиоды, которые поставляются в виде тонкой полосы из силикона.
Для установки используются еще и димеры, т. е. светорегулирующие приборы, которые позволяют регулировать интенсивность света. Особенности такого освещения состоят в том, что потребление электричества намного меньше, чем у других систем. В данном случае используется постоянное напряжение на уровне 12-24 В. Поэтому важно правильно выполнить подключение такой ленты к источнику электропитания. Ни в коем случае нельзя выполнять это без специального импульсного блока питания, так как лента просто сгорит при включении.

Схема гипсокартонного потолка с подсветкой.
Выбор такого блока также требует внимания, рассчитать мощность не так сложно. Надо мощность 1 м ленты умножить на общий метраж, при этом обеспечить небольшой запас. Например, для натяжного потолка необходимо взять ленту, общая мощность которой равна 140 Вт. Блок питания в таком случае следует уже брать на 150 Вт. Большее значение излишне, но и меньше монтировать нельзя.
Монтаж ленты для натяжного потолка начинается с определения места установки. После этого необходимо провести линию по периметру, подсчитать количество отрезков. Максимальная длина одного отрезка составляет всего 5 м, надо такие отрезки подключать параллельно. Ни в коем случае нельзя подсоединять такие линии последовательно, то есть конец в конец лент, так как со временем будет происходить перегревание системы, светодиоды просто перегорят, и придется их полностью менять.

Схема неправильного и правильного подключения светодиодных лент.
Такой монтаж потребует дополнительных расходов на электрические кабели, но зато безопасность и долговечность будет обеспечена. Важно соблюдать полярность для бесперебойного освещения натяжного потолка. Крепление лент производится за карнизом либо в нише, обычно для этого применяются клеящие растворы либо двусторонний скотч. Крепление должно быть надежным, чтобы лента при использовании не отпала.
Если поверхность натяжного потолка побелена, то предварительно стоит приобрести металлические либо пластиковые уголки, прикрепить их к основанию.
На их поверхность уже и крепятся ленты. Блоки питания, контроллеры устанавливаются таким образом, чтобы они не были заметны, но доступ к ним был свободным. Сделать подсветку потолка удастся необычной и качественной.
Вернуться к оглавлению
Ошибки при монтаже подсветки
Планируя подсветку для натяжного потолка либо подвесного гипсокартонного, допускают некоторые ошибки. Они влияют на качество освещения негативным образом. Обычно это касается выбора вместо светодиодной ленты дюралайта. Отличие этой системы освещения состоит в том, что тут применяются декоративные светодиоды небольшого размера, которые заключены в специальную прозрачную трубу. Такой материал также предназначен для организации декоративной интерьерной подсветки, но только не потолочных ниш и не подвесных потолков.

Схема подключения RGB-ленты.
Дюралайт производится из очень маленьких светодиодов, которые отличаются низкой яркостью освещения, а угол их свечения намного ниже, чем имеют SMD. Сроки службы также короче. Но основная проблема состоит даже не в этом. Освещение подвесного потолка будет неравномерным, т. е. поверхность будет освещаться отдельными участками.
Почему именно дюралайт многие приобретают для интерьерной подсветки? Стоимость его ниже примерно в 2-3 раза, для монтажа нет необходимости использовать специальный блок питания, так как подключать его можно прямо к общей сети. Экономия на блоке и на самой ленте приводит к еще большим расходам в итоге. Неудачная подсветка быстро выходит из строя, после чего монтируется светодиодная лента.
Чтобы сделать потолок более привлекательным, часто используется специальная карнизная подсветка из светодиодных лент. В некоторых случаях светодиодная подсветка является отличной альтернативой традиционным осветительным приборам. Чтобы установить ленты, необходимо сначала определиться с их цветом, после чего смонтировать, основываясь на правилах и требованиях к таким материалам.
Подсветка потолка светодиодной лентой. Как правильно рассчитать и подобрать ленту
Самый модный запрос на тему освещения в квартире – «Как установить светодиодные ленты для подсветки потолка». Каждый год спрос на светодиодное освещение неуклонно растёт. Что это, модные тенденции или здравый смысл?
Светодиоды имеют ряд преимуществ перед другими источниками освещения:
- Оптимальный спектр (максимально близок к дневному свету);
- возможность выбора цветовой гаммы;
- возможность зонального освещения;
- снижает затраты на электроэнергию;
- высокий срок службы.

Подсветку потолков можно использовать как основное, дополнительное (ночное) и декоративное освещение.
Если светодиоды выполняют роль основного освещения, необходимо соблюдать санитарные нормы, чтоб не навредить своему здоровью.
Требуемая освещенность помещения зависит от его назначения. Оптимальные параметры согласно СНиП показаны в таблице ниже.
Требуемая освещенность помещения, в зависимости его назначения
Зная требуемое освещение, нужно подобрать светодиодную ленту и драйвер питания.
Наиболее популярными являются светодиодные ленты на основе модулей SMD 3528 и SMD 5050. Подробные технические характеристики этих светодиодов можете найти здесь.
Оба варианта нам подходят. SMD 5050 потребуется меньшей длины (но она дороже), в виду ее повышенной яркости. Разберем расчет на примере.
Расчет подсветки потолка светодиодной лентой
Разберем расчет подсветки на конкретном примере. Входные данные:
- Комната — 20 м 2 ;
- Светодиодная лента SMD 5050.
Метод I
Светодиодная лента SMD 5050 белая 60 led на 1м имеет световой поток 800 люмен на погонный метр (характеристики популярных светодиодных лент собраны в конце статьи). При площади комнаты 20 м.кв освещенность от 1 метра ленты будет 40 люкс (800 люмен / 20 м.кв).
Для жилой комнаты или кухни комфортный уровень освещенности 150 люкс. Умножим его на коэффициент высоты потолка:
Значит, такой ленты потребуется:
150Лк / 40Лк * 1 = 4 метра
Но при длине ленты 4 метра, ее трудно равномерно расположить по периметру комнаты. Давайте воспользуемся другим методом расчета, исходя из фиксированной длины ленты (по всему периметру комнаты).
Метод II
При размерах помещения 5 на 4 метра, длина периметра – 18м. Исходя из потребности в 150 люкс, используем следующую формулу:
Необходимая яркость ленты (люмен/м.п) = требуемая освещенность * площадь комнаты / периметр комнаты
Необходимая яркость ленты = 150 * 20 / 18 = 170 люмен/м.п.
Учитывая, что это не прямой световой поток, а отраженный от потолка, для компенсации прибавляем 10-20%.
170 * 1,2 = 200 лм/м.п
Итого нам требуется светодиодная лента с яркостью свечения 200 люмен/м.п, например SMD 3528 60 шт/м с яркостью 240 Лм/м.п.
Суммарная мощность такой ленты длинной 18м будет 4,8 Вт/м * 18 = 86,4 Вт. Берем плюс 25% запаса мощности:
86,4 * 1,25 = 110 Вт
Осталось выбрать драйвер.
Расчет драйвера для светодиодной ленты
Выбрать подходящий блок питания для светодиодной ленты очень просто. Мощность светодиодов рассчитана на:
- Напряжение питания – 12В (реже 24В). Требуемое напряжение указывается в сопроводительной документации (на упаковке);
- Потребляемый ток указывается на упаковке из расчета на 1м. В среднем 0,02А на 1 светодиод.
Если потребляемый ток не указан, умножаем ток 1 светодиода 0,02А (SMD 3528) на количество диодов на 1м (60 шт) и на длину ленты (18м).
0,02 * 60 * 18 = 21,6А
Итоговые параметры блока питания: 110+ Вт и 22+ А.
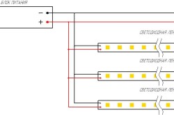
Рациональнее будет разделить всю цепь на 2-4 контура с несколькими блоками питания меньшей мощности.
Схема подключения светодиодной ленты к блоку питания
Это классический вариант монтажа. В местах соединений используйте коннекторы или пайку. Подробно как правильно соединять светодиодную ленту.
Не подключайте последовательно несколько лент, суммарной длиной более 5м. Производитель устанавливает толщину токопроводящих дорожек на ленте из расчета максимальной длины участка 5м.
Следуя из вышесказанного, подключайте ленты к драйверу только параллельно!
Ошибки при расчете освещения потолка
На сайтах, посвященных светодиодному освещению, часто перепутаны даже базовые понятия. Некоторые высчитывают светодиодное освещение в ваттах, что в корне не верно, так как светоотдача у каждого типа матрицы разная. Некоторые пытаются сопоставить люксы диода и лампы накаливания, что тоже неверно.
Мощность осветительного прибора для нас не имеет значения, это КПД источника света и используется лишь для сравнительного перерасчета.
Рекомендации 4-5 Вт/м.кв для светодиодной лампы нужно игнорировать. Световой поток при такой мощности может быть от 180 до 330 люмен на 1 метр (в зависимости от светодиодной матрицы). При площади комнаты в 20 кв.м общая освещенность будет от 3600 до 6600 люмен. Разница почти в 2 раза.
Характеристики светодиодных лент
Для удобства расчета мы собрали сравнительные таблицы нескольких популярных типов SMD лент.
| Характеристики светодиодных лент | ||||
|---|---|---|---|---|
| Тип ленты | Диодов на метр | Мощность P, Вт/м | Напряжение U, В | Яркость, Лм/м |
| SMD 3528 | 60 | 4,8 | 12 | 240 |
| 120 | 9,6 | 12 | 440 | |
| 240 | 19,2 | 12 | 880 | |
| SMD 5050 | 60 | 12 | 12 | 800 |
| 120 | 24 | 12 | 1600 | |
Обязательно обращайте внимание на страну производитель. У различных производителей значения яркости могут ощутимо различаться.
Возьмем в качестве примера популярную SMD 3528 (нейтральная-белая) 60 шт/м.
| Китай | Тайвань | Европа | |
|---|---|---|---|
| Яркость, лм/м.п | 240 | 380-420 | До 500 |
| Мощность, Вт | 4,8 | 4,8 | 4,8 |
Китайские диоды в 1,5 раза тусклее тайваньских и в 2 раза слабее европейских изделий. Многие возразят, что и стоят они в 4-5 раз дешевле «европейца». С этим не поспоришь, но цена нормального драйвера для ленты потянет как 10 метров супербюджетных светодиодов.
Что бы смастерить настольную лампу вариант вполне пристойный, но для освещения квартиры покупать детище из поднебесной попросту не выгодно.
Варианты монтажа
Как установить светодиодные ленты для подсветки потолка? Это зависит от того, на что будет монтироваться лента.
В принципе, варианты монтажа ограничены лишь полетом фантазии. Но желательно учесть, что светодиод – точечный источник высокой яркости с малым углом рассеивания и смотреть непосредственно на него неприятно. Поэтому при монтаже нужно предусмотреть световой барьер, которым при стандартных схемах являются багет, гипсокартон либо монтажная планка для натяжного потолка.
Вместо моно- можно использовать многоцветную (RGB) ленту, которая послужит ночной подсветкой.
Многоцветная RGB лента в качестве ночной подсветки
Потолочная подсветка натяжного потолка, размещенная ЗА полотном потолка, зависит от материала полотна. Если он плотный или темных оттенков, светопропускающая способность его низкая, и ленты, размещенные над тканью, сгодятся только для ночной подсветки.
Подсветка натяжного потолка с использованием полупрозрачных материалов, да еще и с нанесением изображений, позволяет создать неповторимую атмосферу в любом доме.
Подсветка натяжного потолка с рисунком
Отдельно стоит коснуться варианта натяжного потолка «звездное небо». Как подсветить потолок светодиодной лентой зависит от конструктивных особенностей этого решения. Существует два типа технического исполнения такого декора – статический и динамический.
Статический — когда рисунок нанесен на полупрозрачную ткань. В этом случае подсветка размещают по периферии, а при необходимости и на самом потолке.
Динамический — по дизайну картинки он может быть полностью идентичен, но над тканью монтируется система оптоволоконных проводников, передающих сигнал от проектора. Благодаря этому достигается натуральное мерцание звезд и эффект полного погружения.
Как выполняется динамическая подсветка потолка
Светодиодное освещение потолка полностью оправданное решение. Несмотря на относительно высокие первоначальные затраты, такой тип освещения в квартире будет радовать глаз, и в перспективе окупится за счет существенного снижения потребления энергии на освещение квартиры.
Какая бывает подсветка потолка светодиодной лентой – варианты и способы потолочного освещения
Для оформления потолочной поверхности применяют различные способы. В настоящее время владельцы недвижимости все чаще украшают ее светодиодными лентами для подсветки. Подобный элемент интерьера преображает помещение, делая его отделку более оригинальной.
Что такое светодиодная лента
Лента с расположенными на ней светодиодами имеет вид гибкой полосы шириной 5 – 50 миллиметров. На одной из ее сторон расположены светодиодные резисторы, соединенные между собой электрическими проводниками, в результате образуя единую схему. С другой стороны диодной ленты для потолка, как правило, можно увидеть двухсторонний скотч, предназначенный для ее фиксации на разных поверхностях.
На этих гибких полосах может присутствовать разное количество светодиодов, причем различных размеров. С целью получения более насыщенного и яркого освещения дополнительно припаивают один-два ряда диодов.
Преимущества использования
Подсветка потолка светодиодной лентой является недорогим, но при этом красивым дизайнерским приемом. Подобная деталь делает интерьер более ярким и неповторимым. Следует отметить, что отличающиеся экономичностью полосы светодиодов используют не только для оформления квартир и жилых домов.
Данные элементы считаются универсальными, так как они встречаются на разных объектах недвижимости. К примеру, светодиодными полосами оформляют витрины магазинов и рекламные вывески, поскольку тогда они привлекают повышенное внимание. В торговых центрах используют долговечные, с повышенной влагостойкостью ленты.
Влага и сырость для светодиодного освещения потолка не представляют опасность, поэтому его часто монтируют в ванной комнате. Изделия класса IP68, допустимо размещать под водой. Благодаря наличию данного преимущества, эти осветительные элементы встречаются в бассейнах, при оформлении ландшафтных композиций и на фасадах строений различного назначения.
Популярность светодиодного освещения объясняется наличием у него многочисленных положительных качеств, которыми оно отличается:
- Потребители отдают предпочтение такому способу оформления интерьера, как led подсветка потолка, потому что она имеет доступную стоимость при меньшем потреблении электроэнергии.
- Такое освещение отличается насыщенным и ярким свечением, особенно, когда на лентах много лампочек. Если требуется создать более приглушенный свет, тогда можно подобрать вариант, где этих элементов меньше.
- Монтаж диодов на потолок выполняется просто и быстро.
- Ленты бывают самого разного цвета, поэтому подборка нужного варианта для любого интерьера не составит труда.
- Светодиодные приборы полностью безопасны, поскольку не подвержены перегреву. Они не повреждают основание. Данное преимущество становится особенно актуальным, когда создается своими руками светодиодная подсветка натяжного потолка.

- Такие ленты, как правило, относятся к настраиваемым приборам. Например, жильцы самостоятельно могут менять интенсивность свечения, подстраивая его под собственные предпочтения при помощи встроенных датчиков и регуляторов.
- Светодиодные лампы, отличаются продолжительным сроком эксплуатации, превышающим 10 лет. Им не опасны скачки напряжения в сети. Обычные лампочки в подобных случаях часто лопаются, оставляя маленькие осколки.
- Ленты со светодиодами мало весят, поэтому и не создают нагрузку на отделку потолочной поверхности.
- Данные осветительные приборы отличаются гибкостью и их можно легко согнуть, поэтому ими обрамляют конструкции разной конфигурации.
- Ленты экологичны, поскольку лампы в них не выделяют вредных компонентов.
- Полосы бывают самой разной длины, которую можно самостоятельно корректировать.
- Диодная подсветка не влияет на телесигналы и не вызывает помех.
Трехцветные лампы
Осветительные ленточные приборы отличаются видом используемых ламп. В RGB-лентах каждый из диодов является сборкой из трех светодиодов, имеющих красный, синий и зеленый цвет.
Такие диодные ленты насчитывают 4 выхода. Один из них – общий, а три другие предназначаются для каждого цвета. За счет их комбинации возможно получение богатой оттеночной гаммы. Аналогичным способом достигается разнообразие расцветки на телевизионном экране.
Если для монтажа подсветки потолка используются трехцветные диодные ленты, ими необходимо управлять, для чего потребуется прибор – контроллер. Благодаря его применению можно осуществлять регулировку скорости изменения расцветки или зафиксировать один цвет. В RGB-ленте запускать многоцветный вариант вовсе не обязательно – можно задействовать только белый цвет.
Сегодня в продаже имеются высокотехнологичные виды диодных лент, оснащенные встроенным Wi-fi. Ими удобно управлять со смартфона, если на нем установлено соответствующее приложение.
Делая выбор блока питания, нужно учитывать, что ленты с RGB лампочками рассчитаны на напряжение 12 и 24В.
Полосы с герметичными диодами
Подобные ленты со светодиодами на сегодняшний день очень популярны, поскольку они отличаются износостойкостью и долговечностью. Их еще принято называть водонепроницаемыми или влагозащищенными. Примером такого устройства является прибор 3528 120LED-24V IP65. Данная маркировка означает, что световая полоса сделана с использованием ламп SMD3528, а наличие светодиодов на метре равно 120.
Герметичность обеспечивается силиконовыми оболочками, которые надежно защищают детали со всех сторон. Данный вариант освещения диодной лентой может без проблем функционировать на открытом воздухе и в воде. Герметичные приборы задействуют при создании подсветки бассейнов и аквариумов. Выбирая такие светодиодные ленты, нужно смотреть на их маркировку.
Мощность и плотность размещения
Важнейшим параметром светодиодных лент считается мощность. Немаловажное значение имеет такой показатель как плотность размещения. Популярны приборы, у которых на один метр приходится от 60 до 120 диодов. Но в продаже имеются ленты, насчитывающие 30, 72, 90 и в некоторых случаях 240 лампочек. Они могут располагаться как линейно, так и несколькими ровными рядами.
Мощность метра ленты зависит от типа светодиодов, например:
- SMD 3528 (60, 120 или 240 ламп) – соответственно 4,8 Вт, 9,6 Вт и 19,2 Вт;
- SMD 5050 (30, 60 или 120 элементов) – соответственно 7,2 Вт, 15 Вт и 25 Вт.
Сегодня встречаются гибкие полосы, имеющие мощность 220 В. В таком случае при монтаже диодной ленты на потолок не потребуются обычные блоки питания в 12В. Нужен будет лишь небольшой выпрямитель для подключения к розетке.
Класс защиты
Светодиодные ленты отличаются классом защиты. Этот параметр имеет отношение к влагостойкости лампочек, а также к стойкости относительно влияния пыли и других внешних факторов. Обычно класс защиты конкретного прибора можно прочитать на упаковке товара, он обозначается двумя буквами IP.
- IP20 – означает, что диодные лампы предназначаются для монтажа внутри помещений, у них отсутствует дополнительная герметизация;
- IP65 – эту разновидность светодиодных лент задействуют для подсветки зон, имеющих регулярный контакт с водой, это может быть мойка или аквариум, их применяют как внутри комнат, так и на улице;
- IP 68 – данные осветительные приборы размещают даже под водой, поскольку они полностью изолированы.
Выбор светодиодных лент
На сегодняшний день немало потребителей отдают предпочтение диодному освещению.
Перед тем, как выбрать светодиодную ленту для подсветки потолка, специалисты рекомендуют изучить ряд критериев:
- Цвет диодов. Требуемый оттенок зависит от того, где будет использоваться прибор. Благодаря применению подсветки, можно выгодно подчеркнуть определенный элемент декора на потолочном перекрытии или оригинально украсить поверхность потолка вдоль его периметра.
- Уровень яркости. Этот параметр зависит от количества полупроводников в ленте и их размера. Чем большее светодиодов имеется на приборе, тем более яркое у него получается свечение.
- Степень защиты. Принимая решение, какая светодиодная лента лучше для подсветки потолка, непременно принимают во внимание степень ее защиты от воздействия влаги и пыли. В этом случае класс прибора прописан на упаковке товара.
- Контроллер. Необходимо приобретать высококачественные и одновременно удобные в эксплуатации ленты с этими устройствами. Наличие контроллера позволяет самостоятельно менять яркость освещения и его оттенки.

Варианты создания подсветки
Чтобы сделать потолки со светодиодной лентой красивыми, можно воспользоваться одним из следующих способов:
- Точечный. При использовании данного варианта создания освещения приборы размещают особым образом, чтобы они излучали свет непосредственно вниз. Наиболее популярным и часто встречающимся примером точечной подсветки является конструкция «звездное небо».
- Направленный. В данном случае ленту нужно устанавливать специальным образом на откосах. В результате применения подобного способа размещения приборов они излучают свет вдоль потолочной поверхности.
- Рассеянный. Данный вариант также называют контурным. Для его реализации светодиоды должны образовать на потолке непрерывную световую полосу.
- Фигурный. Приборы в этом случае помещают в специальные плафоны, имеющие небольшой размер. Подобное решение позволяет создавать разные световые конфигурации.

Рекомендации по обустройству светодиодного освещения
Прежде, как сделать диодную подсветку потолка, следует определиться с тем, как будет расположена лента. Также заранее нужно продумать создание в гипсокартонном коробе выступов, если запланировано его использование.
У большинства светодиодных лент с обратной стороны имеется липкий слой. Благодаря его наличию диодную подсветку потолка своими руками создавать можно практически на любых поверхностях.
Перед тем, как начинать крепить ленту, необходимо тщательным образом подготовить основание под ее монтаж. Его очищают от грязи, слоя пыли и других загрязнений. Благодаря проведению данных мероприятий будет обеспечено более прочное и качественное сцепление между клейкой стороной прибора и потолочной поверхностью.
Чтобы приклеить гибкую полосу, с нее снимают защитную пленку, а затем прикладывают ленту на основание и прижимают, причем это не следует делать слишком сильно. Крепление данных приборов производить нужно аккуратно. Также для установки подсветки на потолке возможно применение двухстороннего скотча.
Обычно для светодиодного освещения заранее подготавливают ниши, для обустройства которых используют листы гипсокартона. Интересно выглядит композиция, когда ленту с диодами прикрепляют на шторах или на выступающих частях декоративных элементов.
В этом случае монтаж осветительных устройств выполняют так, чтобы световой поток был направлен на определенную часть потолочной поверхности или на стену.
Существует способ, как спрятать на потолке светодиодную ленту. Для этого ее можно разместить под таким декоративным изделием, как потолочный плинтус. В результате она не будет слишком бросаться в глаза и свет от диодов сделает интерьер помещения более интересным.
Но при этом нужно обязательно обращать внимание на состояние поверхности под плинтусом, поскольку в этом месте стена не должна осыпаться. Когда штукатурка не достаточно прочная, ее обрабатывают грунтовкой глубокого проникновения, которую обычно используют для оснований из бетона.
Подключение светодиодного освещения
После того, как завершен монтаж гибкой ленты с диодами, приступают к ее подключению, причем эту работу хозяева могут выполнить собственными силами.
Светодиодная подсветка предусматривает использование таких элементов:
- блок питания;
- контроллер и датчик;
- пульт управления;
- полупроводниковая осветительная система определенной длины.

Процесс подключения светодиодной ленты состоит из нескольких этапов:
- Прежде всего, к блоку питания подключают сетевой кабель с вилкой.
- Далее к блоку подсоединяют 2 контакта контроллера – это действие выполняют, если для освещения используют систему RGB.
- Потом к контролеру подключают контактные кабели.
Случается, что в помещении уже установлен контроллер, рассчитанный на светодиодную полосу определенной длины, но его требуется перенастроить под большее количество светодиодов. В этом случае нужно будет установить дополнительный усилитель.
Как тогда производить разводку? В этом случае блок питания соединяют с усилителем и другим концом светодиодного устройства, а с противоположной стороны с целью снижения нагрузки прикрепляют еще один участок световой полосы.
При создании цветной подсветки потолка в процессе выполнения соединений необходимо придерживаться полярности. Также нужно контролировать соответствие напряжения на контроллере и блоке питания с осветительным прибором.
Ленты не разрешается подключать последовательно, поскольку это часто приводит к перегреву шины и плавлению пластиковой основы.
Обычно полосы со светодиодами продают в катушках длиной по 5 метров. Если нужна более короткая полоска, то лишний участок отрезают при помощи ножниц. Делают надрез в обозначенном месте. Когда требуется спаять ленту, тогда следует воспользоваться паяльником небольшой мощности.
Чтобы увеличить длину декоративной подсветки можно воспользоваться специальными маленькими устройствами – коннекторами, которые предназначаются для замыкания электроцепи путем защелкивания.
Тонкости светового дизайна
Если принято решение дополнить потолочное пространство комнаты светодиодной лентой, не будут лишними советы специалистов, как подсветить потолок. Правильно подобранные источники света и грамотно расставленные в помещении световые акценты способны до неузнаваемости изменить его пространство и в итоге сэкономить на освещении до 50% его стоимости.
Любая лампочка или осветительный прибор имеют свой цвет. Поэтому до того, как выбрать светодиодную ленту для потолка окончательно, необходимо знать, какой свет она способна обеспечивать и будет ли это оптимально с учетом назначения комнаты и личных предпочтений того, кто в ней будет находиться.
Нюансы, о которых следует поинтересоваться у продавца:
- Индекс цветопередачи. От величины этого показателя зависит, насколько приятно будут выглядеть цвет предметов интерьера в условиях искусственного освещения. На упаковках ламп можно встретить буквенные символы Ra или CRI. Для нормального освещения индекс Ra должен составлять 80-90, а его идеальный показатель равен 90-100.
- Цветовая температура. Она ответственна за оттенок света и измеряется в Кельвинах (буквенное обозначение К). Отличают три оттенка: теплый равен ≈2700-3000 К; белый или нейтральный ≈4100 К и холодный ≈6500 К. Для комнат, где члены семьи кушают или отдыхают после трудового дня, дизайнеры рекомендуют выбирать нейтральный или теплый свет. Они способствуют созданию атмосферы непринужденности и уюта. Холодный цвет идеально подходит для различных учреждений, где необходимо настроить людей на деловой лад.
При покупке лент со светодиодами, нужно помнить, что с увеличением напряжения, возрастает и энергопотребление. Чтобы использовать их в качестве основного осветительного устройства, нужно приобретать яркие варианты, оборудованные пультом дистанционного управления.
Примеры эффектного освещения помещений
Светодиодная лента на поверхности потолка смотрится превосходно. Ее легко подобрать для интерьера в любом цветовом оформлении, а сама потолочная конструкция может насчитывать разное количество ярусов, имеющих различные формы.
Например, гибкая лента красиво выглядит в системе из двух уровней, когда нижний ярус сделан из натяжного пленочного полотна. Линии короба другого уровня из гипсокартона при этом можно делать волнообразной и изящной формы. В данном случае будет уместной установка точечных светильников, которые встроены в гипсокартонную основу.
Красивым украшением помещения станет светодиодная подсветка в подвесном потолке, состоящем из деталей правильной геометрической формы. Ленты, закрепленные на их основаниях, придадут им дополнительный объем. При использовании такого дизайнерского решения в центре потолочной поверхности можно повесить люстру из хромированного или блестящего металла.
Светодиодные полосы монтируют в помещениях любого назначения. Например, если в светлой спальне стоит темная мебель, в ней эффектно будет выглядеть голубая подсветка на фоне белой двухуровневой потолочной конструкции. Потолок с подобным оформлением будет гармонировать со стенами, выполненными в нежных и пастельных тонах и предметами обстановки насыщенного цвета.
Подсветка потолка светодиодной лентой и светодиодное освещение: 18 часто задаваемых вопросов
Обзор рынка
- Какие светодиодные светильники может предложить современный рынок?
Вот их основные виды:
- Ленты, представляющие собой светодиоды на гибкой проводящей подложке. Ленты могут иметь напряжение питания 12 и 220 вольт;
Ленты с питанием от 220 вольт используют постоянный ток и подключаются через компактный выпрямитель (диодный мост).
- Панели — это светодиоды на жесткой подложке, снабженные рассеивателем. Нередко панель представляет собой комбинацию рассеивателя и нарезанной на короткие отрезки светодиодной ленты;
- Споты — светильники, дающие направленный свет благодаря встроенному рефлектору;

Спотовый светодиодный светильник.
- Софиты — встраиваемые в потолок компактные светильники, дающие рассеянный свет;
- Прожекторы.
- Насколько экономично светодиодное освещение?
Последние поколения светодиодов обеспечивают светоотдачу более 100 люменов на один ватт потребляемой мощности. У ламп накаливания этот показатель хуже в 10 раз, у компактных люминесцентных («энергосберегающих») ламп — в 1,5 — 2 раза.

Сравнение светимости у ламп разных типов.
Лента
- Как выбрать светодиодную ленту для подсветки потолка и для основного освещения?
Для скрытой подсветки основной критерий — малое тепловыделение. Как правило, она устанавливается в потолочную нишу, на плинтус или молдинг, что подразумевает довольно скверный теплоотвод. Поэтому на роль подсветки обычно приобретается лента мощностью не более 5 ватт на погонный метр.
Какую светодиодную ленту выбрать для подсветки потолка по цвету свечения?
Цвет стоит подбирать исходя из функциональности комнаты и ее общего оформления. Так, красная подсветка будет уместна в спальне, но явно не к месту на кухне, а «кислотный» зеленый свет никоим образом не впишется в стилистику ретро-гостиной.

Любопытное решение — RGB лента, умеющая менять цвет подсветки.
Если вы выбираете ленту на роль основного освещения, для вас важны два других критерия:
- Цветовая температура. Наиболее точная цветопередача обеспечивается освещением с температурой 4000 К;
Впрочем: для глаз более приятен свет с температурой 2700 — 3000 К. По спектру он ближе к лампе накаливания, чем к дневному свету.
- Удельная светимость на погонный метр. Она должна составлять как минимум 1000 люменов. Оптимальное сочетание светимости и энергопотребления (от 1000 люменов и не более 18 ватт на погонный метр) в настоящее время (июль 2016 года) обеспечивают ленты на светодиодах smd 5630 и 5730; более старые smd 5050 при том же потреблении уступают им по светимости вдвое.

Светимость определяется как типом светодиодов, так и их количеством на погонном метре ленты.
Нюанс: один и тот же светодиод может иметь разную светимость в зависимости от поданного на него напряжения. Однако с ростом напряжения неизбежно увеличивается и энергопотребление, а вслед за ним — тепловыделение светодиода. Ленты с мощностью более 18 ватт на метр приходится монтировать на отводящий тепло алюминиевый профиль.
- Какая лента лучше — с питанием от 220 вольт или от 12?
Безоговорочно вторая. Ее единственный недостаток — потребность во внешнем блоке питания, в то время как лента с питанием от 220 вольт использует компактный выпрямитель, установленный на ее соединении со шнуром питания.

Компактный выпрямитель монтируется прямо на шнуре питания.
Достоинства перевешивают его сполна:
- Диодная сборка, питающаяся от 12 вольт — это всего три диода с несколькими резисторами. Именно отрезками по три светодиода может нарезаться низковольтная лента. При питании от 220 вольт нарезка возможна лишь по метру;

Низковольтную ленту можно резать через каждые три светодиода.
- Выход из строя одного светодиода приведет к тому, что погаснет еще два источника света в общей с дефектной деталью сборке. В 220-вольтовой ленте все детали в каждом метровом отрезке соединены последовательно, и перегорание любой из них будет означать, что метр ленты погаснет полностью;
Любопытно: лента с питанием от 220 вольт, приобретенная мной для подсветки выхода во внутренний двор, прослужила всего год. Она гасла метровыми участками по мере перегорания одиночных smd-деталей.
- Наконец, не стоит забывать про безопасность. 12 вольт при любом замыкании не могут привести к фатальным последствиям.
Светильники
- Как устроены ленточные светодиодные светильники?
Они состоят из алюминиевого профиля с системой крепления, наклеенной на него ленты с достаточно высокой светимостью и пластикового рассеивателя — матового или призматического. Как правило, стоимость таких светильников заметно превышает суммарную цену купленных в розницу комплектующих.

Накладные, врезные и угловые ленточные светильники.
- Что лучше — софиты или светодиодная панель?
Все зависит от ключевых требований.
При одинаковой мощности один яркий источник света всегда дает лучшее освещение, чем несколько более слабых. Поэтому с точки зрения экономичности панель выигрывает. Зато она проигрывает в равномерности освещения: софиты, распределенные по помещению, не будут создавать тени.

Светодиодная панель мощностью 36 ватт. Размер — 600х600 мм. Светимость — 3200 люменов.
Лампы
- Какие светодиодные лампы лучше?
Если оценивать экономичность, близость спектра к солнечному и, соответственно, точность цветопередачи (то есть соответствие цвета освещенного предмета видимому при ярком дневном свете), то безусловным лидером будут лампы на светодиодных нитях (они маркируются как filament).
Эти лампы интересны, среди прочего, тем, что их внешний вид очень напоминает лампы накаливания: используется такая же стеклянная колба, а светодиодная нить внешне очень похожа на спираль.
Очевидный недостаток ламп filament — то, что они дают рассеянный свет, в то время как лампы с рассеивателем в виде полушария создают направленный в одном направлении яркий световой пучок. Если вами планируется установка лампы в спотовый светильник, ваш выбор — лампа с полукруглым рассеивателем.
Мощность
- Как выполнить расчет светодиодного освещения?
При подборе суммарной светимости источников света стоит руководствоваться санитарными нормами, прописанными в СанПин 2.2.1/1278-03.
| Вид помещения | Рекомендованная освещенность при искусственном освещении, люкс |
| Жилые комнаты, спальни, гостиные, кухни, столовые | 150 |
| Детская комната | 200 |
| Рабочий кабинет, мастерская | 300 |
| Прихожая, ванная комната, туалет | 50 |
Единица измерения в приведенной мной таблице — люкс — соответствует одному люмену (единице светимости) на квадратный метр площади. Светимость в люменах всегда указывается на упаковке любого светодиодного светильника или лампы. Скажем, для детской комнаты площадью 20 квадратных метров рекомендуется использовать источники света с общей светимостью 20*200=4000 люменов.

Комбинированное освещение детской.
Нюанс: фактическая светимость источников света часто оказывается ниже заявленной. Причиной становятся как недобросовестность производителя, так и светопоглощение рассеивателями и плафонами (особенно запыленными). Поэтому при расчете лучше увеличить полученное значение на 20 — 30 %.
Монтаж
Основное освещение
- Как правильно ставить светодиодную ленту на потолке в качестве основного освещения?
Самоклеющаяся лента наклеивается на рассеивающий тепло профиль. Он может быть встраиваемым и накладным.

При мощности ленты менее 18 ватт на погонный метр для теплоотвода достаточно наклеить ленту на любую поверхность с ненулевой теплопроводностью. У меня, к примеру, в этой роли выступила крышка изготовленного из ПВХ кабель-канала. Температура ленты при длительной работе не поднимается выше вполне безопасных для светодиодов 45 — 50 градусов.

Лента светимостью 1200 люменов на погонный метр наклеена на пластиковые кабель-каналы.
- Как закрепить led-профиль в потолок из гипсокартона?
Профиль в зависимости от конструктивного исполнения вклеивается любым универсальным клеем, жидкими гвоздями или герметиком в предварительно вырезанный паз или крепится к потолку через просверленные в нем отверстия саморезами с потайными головками. Не забудьте раззенковать отверстия, чтобы шляпки саморезов не мешали наклейке ленты.

Еще один вариант крепления врезного профиля — с использование дополнительного профиля — держателя.
- Как крепить led-профиль на панельный потолок?
Шурупами с пластиковыми дюбелями. Шаг — не более 50 см, иначе профиль будет отходить от потолка. Оставшиеся зазоры можно аккуратно заполнить акриловой шпаклевкой.
- Как установить рассеиватель на профиль с наклеенной внутрь светодиодной лентой?
Приобретенный в комплекте с профилем пластиковый рассеиватель защелкивается в нем по всей длине. Конструкция защелки аналогична используемой в кабель-каналах.

Фото делает понятным способ крепления рассеивателя.
Кстати: рассеиватель поглощает 25 — 30% света. В дальнейшем его светопоглощение увеличивается из-за пыли и помутнения пластика. На мой взгляд, лучше использовать плоские алюминиевые профили без прозрачной крышки.
- Как клеить ленту без профиля к гипсокартонному потолку?
Полоску гипсокартона непосредственно под лентой достаточно покрасить любой глянцевой краской или эмалью. Глянец дает идеально гладкую поверхность, на которой самоклеющаяся лента держится достаточно надежно.
Еще одно решение — наклеить на ГКЛ полоску пластика (например, половинку разрезанного по длине универсального уголка из ПВХ). В качестве клея можно использовать жидкие гвозди или силиконовый герметик.

Пластиковый универсальный уголок станет основанием для светодиодной ленты.
- Как подключить и как проложить ленту, чтобы обеспечить ее максимальную светимость?
Лента либо подключается к питанию с двух концов, либо нарезается отрезками длиной не более 2,5 метров. В противном случае дальние от провода питания светодиоды будут более тусклыми из-за падения напряжения на них.
Прокладка короткими отрезками заодно уменьшит нагрев участка ленты в области подключения питания: она греется не столько из-за тепловыделения светодиодов, сколько из-за прохождения сравнительно большого тока через шину с малым сечением.

Именно поэтому ленты запрещено подключать последовательно. Большой ток может привести к перегреву шины и плавлению пластиковой основы ленты.
Подсветка
- Какой потолочный плинтус для светодиодной ленты лучше выбрать?
Главный критерий — максимально широкая вертикальная полка. Плинтус будет приклеен только к стене по периметру потолка, поэтому большая площадь склейки обеспечит его надежное крепление.
Материал плинтуса при мощности ленты в пределах 5 ватт на метр может быть любым: при работе светодиоды практически не греются. Их рабочая температура в 35 — 40 градусов будет вполне безопасной и для полиуретана, и для пенополистирола.
- Как прикрепить потолочный плинтус к стене?
Я использовал для этой цели точечно нанесенную акриловую шпаклевку. С таким же успехом плинтус можно клеить на жидкие гвозди или любой универсальный клей.
Важно: стена под плинтусом не должна сыпаться. Непрочную штукатурку нужно предварительно обработать проникающей грунтовкой для бетонных оснований.
- Как выполняется монтаж подсветки потолка светодиодной лентой?
Скрытая подсветка наклеивается на верхнюю полку плинтуса на минимальном расстоянии от стены или на саму стену над плинтусом. Оптимальное расстояние между ним и потолком составляет около 5 сантиметров. Расстояние от ленты до края плинтуса не должно позволять зрителю с противоположного конца комнаты увидеть подсветку.

Варианты расположения подсветки над плинтусом или молдингом.
- Как сделать минимальным нагрев блока питания подсветки?
- Обеспечьте в зоне его расположения свободную циркуляцию воздуха. С практической стороны это означает, что БП не стоит устанавливать в закрытые ниши;

Блок питания установлен в вентилируемую нишу.
- Подбирайте такую мощность БП, чтобы она перекрывала суммарную мощность подключенных к нему лент или низковольтных светильников как минимум на 30%.
Заключение
Надеюсь, что мне удалось удовлетворить любопытство читателя в области светодиодного освещения. Как всегда, дополнительные материалы можно изучить, просмотрев видео в этой статье. Жду ваших дополнений и комментариев. Успехов, камрады!
Как сделать ленточную светодиодную подсветку в потолке?

Появление на рынке инновационных строительных материалов значительно увеличило число возможных решений для оформления потолков. Теперь существует множество вариантов:
- круглые,
- многоступенчатые,
- многогранные и т.д.
В связи с появлением такого разнообразия современных материалов фантазия дизайнеров получила сильный скачок. Именно этим и воспользовались желающие сделать ремонт в своем жилище и бросились украшать потолки. Помощниками дизайнеров в этом вопросе стали не только гипсокартонные конструкции и алюминиевые уголки. Значительной модернизации подверглись и осветительные приборы.
Кроме привычных люстр для освещения начали использовать неоновые и люминисцентные лампы, дюралайт, светодиодные ленты. Не будем здесь подробно рассказывать обо всех типах освещения, но попробуем разобраться, как можно сделать подвесной потолок с подсветкой.
Основные преимущества светодиодных светильников
Главное преимущество светодиодных светильников заключается в простоте и легкости их монтажа. Кое-что вам, конечно, придется делать своими руками, но если вы хотите избежать подобных проблем, вы всегда можете нанять работников. Еще одним неоспоримым преимуществом светодиодной ленты является ее сравнительно невысокая стоимость. Третье преимущество светодиодных лент – широкий ассортимент цветов и оттенков. И, наконец, четвертое преимущество – длительный срок эксплуатации. И пусть вас не пугает надпись Made in China. В каком бы дорогом и элитном магазине вы не покупали светодиодную ленту, она все-равно будет изготовлена в Китае. Порой китайский продукт бывает намного лучше раскрученного «бренда», цены на который, как правило, сильно завышены.
Что представляет собой светодиодная лента?

В самом этом вопросе уже скрыт ответ. Светодиодная лента представляет собой гибкую ленту, на основании которой закреплены светодиоды, вытравлены проводники и сопротивления. Вот такой вот простой ответ.
Основные параметры светодиодных лент

Чаще всего в светодиодных лентах используют светодиоды типов SМD 5050 (5060) и SМD 3528 (3028). Не будем подробно останавливаться на характеристиках этих двух типов светодиодов. Можно только отметить, что светодиоды 5050 имеют более высокую стоимость, но и мощность у них значительно выше. Диоды даже визуально отличаются друг от друга. Ленты также могут отличаться по плотности расположения светодиодов. На 1 м светодиодной ленты могут быть расположены от 30 до 120 диодов. Чем больше диодов установлено на ленте, тем выше ее яркость.
Светодиодные ленты также характеризуются показателем влагозащищенности. Если в описании указано, что степень защиты IР44 или выше, такая лента предназначена для использования в помещениях с высоким уровнем влажности, например в ванных комнатах и бассейнах.
Одно из главных преимуществ светодиодных лент – это широкая цветовая палитра. Существует класс светодиодных лент, в которых используются одноцветные светодиоды. А есть ленты RGB, которые в зависимости от комбинации свечения светодиодов создают различные цветовые оттенки. В этом случае единственным недостатком таких систем является необходимость установки контроллера. Без него управлять освещением в помещении не получится.

Как правильно подготовить светодиодную ленту к монтажу
Прежде чем устанавливать светодиодную ленту на потолок, нужно определиться с плотностью расположения диодов. Если лента предназначена только для того, чтобы устроить подсветку определенных участков помещения, рациональнее всего использовать ленты типа SMD 3528 (плотность расположения светодиодов 60) или SMD 5050 (плотность расположения светодиодов 30). Для создания основной системы освещения в помещении лучше использовать светодиодные ленты типа SMD 5050 (плотность светодиодов 60) или SMD3528 (плотность светодиодов 120).
После того, как вы определитесь с плотностью расположения диодов, нужно определить необходимый метраж. Исходя из метража светодиодной ленты, рассчитывается суммарная мощность и системы и подбирается источник питания системы. Лучше обратиться за советом к опытным продавцам-консультантам, поскольку для различных лент нужны различные блоки питания. Обычно лента разрезается на куски по три светодиода. На ленте указываются места разреза.
Если вы используете простую ленту, то спаивать нужно «+» с «+» и «-» с «-». При использовании RGB лент спайка контактов осуществляется в соответствии с маркировкой. Штатные провода часто не удовлетворяют покупателей, поэтому их перепаивают. Для этого припаивают многожильные провода. Они считаются более надежными. На обратных концах закрепляются наконечники с сечением 0,75 мм.
Наконечники устанавливаются только с использованием специальных зажимов. Не нужно использовать для этих целей пассатижи или зубы.
Таким образом получают провода, у которых контакт с блоком питания, диммером или контроллером будет более надежным. Контакты вставляются непосредственно в колодку и закрепляются при помощи винтов.
После того, как провода будут припаяны к ленте, для повышения безопасности нужно одеть специальную термоусадочную трубку. Она позволит не только создать дополнительную изоляцию контактов, но и придать значительную прочность соединениям. 
Схемы подключения светодиодных лент, использующиеся для монтажа в жилых помещениях

Ниже схема для подключение RGB светодиодных лент.
Светодиодные ленты, как правило, продаются бобинами по 5 метров. Если нужно подключить более длинную ленту, то ленты в бобинах необходимо разрезать и соединить друг с другом. При этом обязательно следует учесть мощность используемого источника питания.
Подключенные бобины светодиодных лент с усилителем выглядят следующим образом.
Фактически усилитель просто дублирует функции, выполняемые контроллером. Усилитель ставится в том случае, когда исчерпан запас мощности контроллера, а светодиодная лента подключена еще не полностью. Можно использовать столько усилителей, сколько необходимо, чтобы обеспечить питание всей светодиодной ленты, которую планируется устанавливать. Существуют различные способы подключения ленты к источнику питания. Отдельно следует рассматривать подключение RGB-лент.
Способы установки светодиодных лент на подвесной потолок
Рассмотрев способы подключения, остановимся на вопросах механики. Поговорим об основных местах, использующихся для крепления светодиодной ленты на потолке. При соблюдении следующих правил можно установить подсветку таким образом, что саму светодиодную ленту видно не будет. Будет виден лишь свет, исходящий от нее. Таким способом можно создать в помещении приятное, мягкое, равномерное освещение. Рассмотрим основные способы монтажа светодиодных лент на потолок. Начнем со следующего примера.
Не будем подробно описывать весь цикл строительно-монтажных работ, который необходимо провести для создания подобной конструкции. Лишь кратко опишем основные этапы работы. Во-первых, необходимо смонтировать металлическую конструкцию каркаса потолка.
После предварительной грунтовки и шпаклевки поверхности следует провести кабель для проводов питания светодиодной ленты. Прежде, чем приступать к окончательной обработке потолочного карниза, необходимо заложить светодиодную ленту.
Место предполагаемого монтажа светодиодной ленты необходимо предварительно очистить и обезжирить.
В состав монтажного комплекта обычно входит скотч, с помощью которого лента крепится к потолочному карнизу. Блок питания следует располагать в местах усиления потолочной конструкции.
Возможные способы монтажа светодиодной ленты. При использовании подпотолочного освещения, могут быть использованы следующие способы установки светодиодных лент.
Этот способ можно назвать стандартным. Лента крепится непосредственно на потолочный карниз. Лучше, если она не будет заметна. Основной поток света при этом должен подать на потолок, а отраженный свет будет освещать комнату.
Существует и второй вариант монтажа светодиодной ленты. Во втором случае лента располагается за плинтусом. Комната при этом также освещается потоком отраженного света.
При использовании натяжных потолков, лента должна располагаться на расстоянии 20 мм от поверхности потолочного полотна. 
Вот и все, теперь вы знаете, что сделать натяжные потолки с подсветкой это не так уж и сложно.
Для закрепления, можете посмотреть обучающее видео.





